Mit einem Schaltregler nach der Boost-Topologie (Aufwärtswandler) kann aus einer niedrigeren Spannung eine höhere Spannung einfach erzeugt werden. Beim Boost-Faktor gibt es aber eine natürliche Grenze. Was hat es damit eigentlich auf sich?
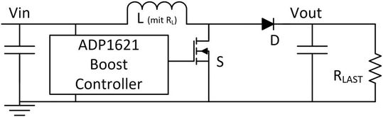
Bild 1: Schaltung eines Boost-Reglers.
(Bilder: ADI)
Wenn aus einer niedrigen Spannung eine höhere Spannung erzeugt werden soll, eignen sich Aufwärtswandler (Boost-Regler), deren Eigenschaften durch das Tastverhältnis den Boost-Faktor bestimmt werden.
Das Tastverhältnis gibt an, wie lange der Schalter S pro Zyklus eingeschaltet ist. Der Boost-Faktor beschreibt, wie viel höher die Ausgangsspannung im Vergleich zur Eingangsspannung ist. Wenn Sie also aus 12 24 V erzeugen, handelt es sich um einen Boost-Faktor von 2.
Als Beispiel wollen wir uns eine industrielle Anwendung ansehen, bei der aus einer verfügbaren Versorgungsspannung von 24 V eine Spannung von 300 V mit einem Ausgangsstrom von 160 mA erzeugt werden soll (Bild 1).
Der Boostfaktor kann auch über das Tastverhältnis T (engl. DutyCycle) ausgedrückt werden:
T = 1 – Uin / Uout (Gl. 1)
Um eine hohe Spannung zu erzeugen, steigt das Tastverhältnis auf Werte nahe 1. Man könnte also meinen, es müsste nur ein Boost-Regler-IC ausgewählt werden, der ein hohes Tastverhältnis hat, um aus einer niedrigen Versorgungsspannung eine sehr hohe Ausgangsspannung zu erzeugen. Das ist aber nur die halbe Wahrheit. Neben den Grenzen des Tastverhältnisses ist ganz besonders auch der maximal mögliche Boost-Faktor zu berücksichtigen.
Die Limitierung beim Boost-Regler
Diese Limitierung beim Boost-Regler kann man sich folgendermaßen vorstellen. Beim Boost muss jede Energie, die von der Eingangsseite zur Ausgangsseite getragen wird, erst einmal zwischengespeichert werden. Während der On-Zeit, während der Schalter S in Bild 1 eingeschaltet ist, wird Energie in der Induktivität L zwischengespeichert. Zu dieser Zeit sperrt die Diode D.
Während der Off-Zeit wird die zwischengespeicherte Energie aus der Spule L entnommen. Sowohl das Laden der Spule als auch das Entladen muss den Regeln der Induktivität folgen. Der Stromfluss wird jeweils durch die Induktivität der Spule und auch dem jeweiligen Potential über der Spule bestimmt. Während der Ladezeit liegt vereinfacht die Spannung Uin über der Spule an und während der Offzeit liegt Uout minus Uin an.
Bei einem sehr hohen Boost-Faktor kann es passieren, dass die Off-Zeit nicht ausreicht, um die zwischengespeicherte Energie aus der Spule herauszuholen. Somit reicht die vereinfachte Formel in Gleichung 1, die das Tastverhältnis beschreibt, nicht aus, um die Grenzen eines Boost-Reglers zu erkennen. Das ist nur der Fall, wenn auch der Leitungswiderstand der Induktivität und der Lastwiderstand (Gleichung 2) berücksichtigt werden.
Das Verhältnis zwischen RL und RLAST hat also Einfluss auf das Verhältnis zwischen möglicher Eingangsspannung und Ausgangsspannung und dadurch auch auf den Boost-Faktor eines Boost-Reglers. Dieser Boost-Faktor kann in einem Diagramm verständlich dargestellt werden. Bild 2 zeigt das Beispiel mit einer Eingangsspannung von 24 V und einer Ausgangsspannung von 300 V bei 160 mA und einem Lastwiderstand 1,8 kΩ sowie RL, also DCR der Spule, von 3 Ω.
Bild 2: Darstellung des Boost-Faktors wenn der Lastwiderstand 600 mal so groß ist wie der DCR (RL) der Spule.
(Bild: ADI)
Bild 2 dokumentiert, dass es mit dem Beispiel sehr wohl möglich ist, einen Boost-Faktor von ca. 12,5 umzusetzen. Das ergibt sich ebenfalls aus Gleichung 2. Wenn jedoch der Lastwiderstand kleiner wird, also der Ausgangsstrom erhöht wird, oder der DCR der Spule steigt, also die Spule eine kleinere Bauform hat, ist es nicht mehr möglich, den erforderlichen Boost-Faktor abzubilden.
Bild 3: Darstellung des Boost-Faktors, wenn der Lastwiderstand 300 mal so groß ist wie der DCR der Spule.
(Bild: ADI)
Bild 3 zeigt eine Kurve des Boost-Faktors, wenn das Verhältnis zwischen Lastwiderstand und dem Spulenwiderstand 300 beträgt. Hier wurde RL von 6 Ω und ein Lastwiderstand von 1,8 kΩ ausgewählt. Aus Bild 3 ist ersichtlich, dass der maximale Boost-Faktor in diesem Fall nur bei 9 liegt. Somit wäre ein Wandeln der Eingangsspannung von 24 nach 300 V nicht möglich. Der RL, also DCR der Spule, wurde zu groß ausgewählt.
Fazit: Beim Schaltungsentwurf einer Boost-Topologie ist es unbedingt notwendig, den maximal möglichen Boost-Faktor zu bestimmen. Dieser ist interessanterweise vom Lastwiderstand, also dem Ausgangsstrom und dem Leitungswiderstand (DCR) der Spule abhängig. Falls Sie feststellen, dass ein benötigter Boost-Faktor nicht realisierbar ist, können Sie eine größere Spule mit einem niedrigerem DCR auswählen.
Stand: 08.12.2025
Es ist für uns eine Selbstverständlichkeit, dass wir verantwortungsvoll mit Ihren personenbezogenen Daten umgehen. Sofern wir personenbezogene Daten von Ihnen erheben, verarbeiten wir diese unter Beachtung der geltenden Datenschutzvorschriften. Detaillierte Informationen finden Sie in unserer Datenschutzerklärung.
Einwilligung in die Verwendung von Daten zu Werbezwecken
Ich bin damit einverstanden, dass die Vogel Communications Group GmbH & Co. KG, Max-Planckstr. 7-9, 97082 Würzburg einschließlich aller mit ihr im Sinne der §§ 15 ff. AktG verbundenen Unternehmen (im weiteren: Vogel Communications Group) meine E-Mail-Adresse für die Zusendung von redaktionellen Newslettern nutzt. Auflistungen der jeweils zugehörigen Unternehmen können hier abgerufen werden.
Der Newsletterinhalt erstreckt sich dabei auf Produkte und Dienstleistungen aller zuvor genannten Unternehmen, darunter beispielsweise Fachzeitschriften und Fachbücher, Veranstaltungen und Messen sowie veranstaltungsbezogene Produkte und Dienstleistungen, Print- und Digital-Mediaangebote und Services wie weitere (redaktionelle) Newsletter, Gewinnspiele, Lead-Kampagnen, Marktforschung im Online- und Offline-Bereich, fachspezifische Webportale und E-Learning-Angebote. Wenn auch meine persönliche Telefonnummer erhoben wurde, darf diese für die Unterbreitung von Angeboten der vorgenannten Produkte und Dienstleistungen der vorgenannten Unternehmen und Marktforschung genutzt werden.
Meine Einwilligung umfasst zudem die Verarbeitung meiner E-Mail-Adresse und Telefonnummer für den Datenabgleich zu Marketingzwecken mit ausgewählten Werbepartnern wie z.B. LinkedIN, Google und Meta. Hierfür darf die Vogel Communications Group die genannten Daten gehasht an Werbepartner übermitteln, die diese Daten dann nutzen, um feststellen zu können, ob ich ebenfalls Mitglied auf den besagten Werbepartnerportalen bin. Die Vogel Communications Group nutzt diese Funktion zu Zwecken des Retargeting (Upselling, Crossselling und Kundenbindung), der Generierung von sog. Lookalike Audiences zur Neukundengewinnung und als Ausschlussgrundlage für laufende Werbekampagnen. Weitere Informationen kann ich dem Abschnitt „Datenabgleich zu Marketingzwecken“ in der Datenschutzerklärung entnehmen.
Falls ich im Internet auf Portalen der Vogel Communications Group einschließlich deren mit ihr im Sinne der §§ 15 ff. AktG verbundenen Unternehmen geschützte Inhalte abrufe, muss ich mich mit weiteren Daten für den Zugang zu diesen Inhalten registrieren. Im Gegenzug für diesen gebührenlosen Zugang zu redaktionellen Inhalten dürfen meine Daten im Sinne dieser Einwilligung für die hier genannten Zwecke verwendet werden. Dies gilt nicht für den Datenabgleich zu Marketingzwecken.
Recht auf Widerruf
Mir ist bewusst, dass ich diese Einwilligung jederzeit für die Zukunft widerrufen kann. Durch meinen Widerruf wird die Rechtmäßigkeit der aufgrund meiner Einwilligung bis zum Widerruf erfolgten Verarbeitung nicht berührt. Um meinen Widerruf zu erklären, kann ich als eine Möglichkeit das unter https://contact.vogel.de abrufbare Kontaktformular nutzen. Sofern ich einzelne von mir abonnierte Newsletter nicht mehr erhalten möchte, kann ich darüber hinaus auch den am Ende eines Newsletters eingebundenen Abmeldelink anklicken. Weitere Informationen zu meinem Widerrufsrecht und dessen Ausübung sowie zu den Folgen meines Widerrufs finde ich in der Datenschutzerklärung, Abschnitt Redaktionelle Newsletter.
* Frederik Dostal arbeitet als Field Application Engineer für Power Management bei Analog Devices in München.