Power Supplies Auswahl der Leistungs-FETs für ORing-MOSFET-Controller

Jerome Johnston *

Anbieter zum Thema

Dieser Beitrag beschreibt, wie ORing-MOSFET-Controller und Leistungs-FETs anstelle von ORing-Leistungsdioden den Stromverbrauch in Verteilersystemen mit hohen Strömen verringern können.

Die Wahl der richtigen Leistungs-FETs ist entscheidend, damit der ORing-MOSFET-Controller korrekt arbeiten kann.(Bild:  Intersil)
Die Wahl der richtigen Leistungs-FETs ist entscheidend, damit der ORing-MOSFET-Controller korrekt arbeiten kann.
(Bild: Intersil)

Viele Hochleistungsanwendungen besitzen mehrere Stromversorgungen mit Fehlertoleranz, um den Laststrom aufzuteilen oder Redundanz im Versorgungssystem aufzubauen, sodass die Zuverlässigkeit im Gesamtsystem erhöht wird.

In diesen Verteilungssystemen tragen parallele Stromversorgungen über ein bestimmtes Aufteilungsschema gleichermaßen zum Laststrom bei. Ein gängiges Design nutzt diskrete ORing-Leistungsdioden, die vor Rückströmen schützen, wenn eine der Stromversorgungen am Ausgang einen gefährlichen Kurzschluss gegen Masse aufweist. Ein Rückstrom tritt auch dann auf, wenn das Stromaufteilungsschema ausfällt und eine einzelne Spannung einer Stromversorgung erheblich unter den Wert der anderen Versorgungen fällt.

Bildergalerie

Obwohl die Lösung mit einer diskreten ORing-Diode gängig und kostengünstig ist, weist sie einige Nachteile auf. Zum einen ist es die höhere Verlustleistung der ORing-Dioden. Zum anderen ist es schwierig, eine kurzgeschlossene oder offene ORing-Diode zu erkennen. Diese Nachteile gefährden die Zuverlässigkeit des Stromversorgungssystems.

Dieser Beitrag beschreibt, wie ORing-MOSFET-Controller und Leistungs-FETs anstelle von ORing-Leistungsdioden den Stromverbrauch in Verteilersystemen mit hohen Strömen verringern können. Neben den Auswahlkriterien für die Leistungs-FETs werden Design-Tipps aufgeführt, mit denen sich die Anforderungen bei der Entwicklung redundanter verteilter Stromversorgungssysteme erfüllen lassen.

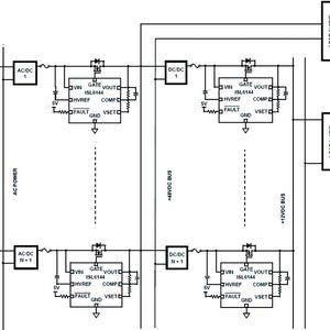
Bild 1 skizziert die Nachteile von ORing-Dioden in einem Versorgungssystem mit hohen Strömen: hier verbraucht jede Diode 10 W (20 A bei 0,5 V Spannungsabfall über der Diode). Beide Dioden brauchen jeweils einen eigenen Kühlkörper, da sie im System bereits 20 W Leistung verbrauchen.

Originalbeitrag als ePaper oder im pdf-Format lesen

Dieser Autorenbeitrag ist in der Printausgabe ELEKTRONIKPRAXIS Sonderheft Leistungselektronik & Stromversorgung erschienen. Diese ist auch als kostenloses ePaper oder als pdf abrufbar.

Auswahl der Power-FETs in der Schaltungsentwicklung

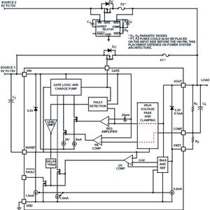
In Hochleistungsanwendungen lässt sich der Stromverbrauch verringern, wenn nun die ORing-Dioden durch MOSFETs ersetzt werden, die ein High-Voltage-MOSFET-ORing-Controller, wie beispielsweise der ISL6144, ansteuert. Bild 2 beschreibt den ISL6144, der eine integrierte Ladungspumpe zur Ansteuerung eines Leistungs-FETs enthält. Der Controller schaltet seinen Ausgang ab, falls die Eingangsversorgung ausfällt. Dies verhindert Transienten, wenn ein anderer redundanter System-Controller seinen Ausgangslaststrom bezieht. ORing-MOSFET-Controller senken so die Verlustleistung und erhöhen die Zuverlässigkeit. Die Wahl der richtigen Leistungs-FETs ist aber entscheidend, damit der ORing-MOSFET-Controller korrekt arbeiten kann:

Erstens: Wählen Sie einen n-Kanal-FET mit einer Drain-Source-Durchbruchspannung (Uds), die größer ist als die Busspannung. Beträgt die Busspannung beispielsweise 48 V, sollte ein FET mit 60 V Durchbruchspannung gewählt werden.

Zweitens: Wählen Sie einen FET mit einem Nennstrom, der die Bus-Last unterstützen kann. Das Beispiel in Bild 2 zeigt ein redundantes System, in dem eine der beiden 48-V-Versorgungen ausfallen kann. Ist dies der Fall, muss die andere Versorgung die gesamte Last von 40 A über einen ORing-FET transportieren. Der FET muss daher für mehr als 40 A spezifiziert sein.

Drittens: Wählen Sie einen FET mit einem für die Anwendung geeigneten RDS(on). Mehrere Faktoren beeinflussen diese Wahl. Der Fokus fällt auf die FET-Verlustleistung unter Worst-Case-Bedingungen, gefolgt von einer Überprüfung, dass der Worst-Case-RDS(on) des FET der Stromversorgung ermöglicht, die Versorgungsspannung innerhalb des Spielraums zu regeln.

Artikelfiles und Artikellinks

(ID:43533380)

Jetzt Newsletter abonnieren

Verpassen Sie nicht unsere besten Inhalte

Mit Klick auf „Newsletter abonnieren“ erkläre ich mich mit der Verarbeitung und Nutzung meiner Daten gemäß Einwilligungserklärung (bitte aufklappen für Details) einverstanden und akzeptiere die Nutzungsbedingungen. Weitere Informationen finde ich in unserer Datenschutzerklärung. Die Einwilligungserklärung bezieht sich u. a. auf die Zusendung von redaktionellen Newslettern per E-Mail und auf den Datenabgleich zu Marketingzwecken mit ausgewählten Werbepartnern (z. B. LinkedIn, Google, Meta).

Aufklappen für Details zu Ihrer Einwilligung