60 Jahre ELEKTRONIKPRAXIS hinterlassen Spuren. Unser Archiv zeigt: Vieles kommt uns bekannt vor. Technologien erleben ein Comeback, Krisen folgen alten Mustern und bewährtes Fachwissen bleibt relevant. In der Rubrik Damals wie heute schauen wir uns diese Parallelen an.
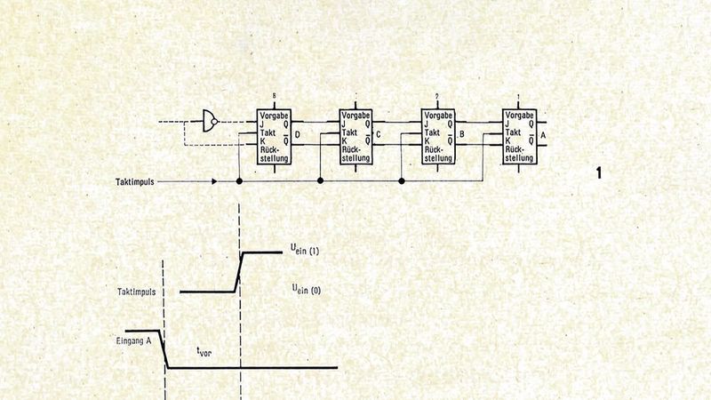
J-K-Flipflop: Funktionsprinzip eines vierstufigen Schieberegisters.
(Bild: Texas lnstruments, Tom Burgess)
Ein Blick in die Elektronikpraxis vom 8. Oktober 1968 zeigt, wie früh zentrale Prinzipien der digitalen Schaltungstechnik bereits beschrieben wurden. In einer Artikelserie über integrierte Schaltkreise erläuterte ein Beitrag von Texas Instruments die Arbeitsweise von Schieberegistern, aufgebaut aus J-K-Flipflops der damals neuen integrierten Logikserie SN54/74.
Der Artikel wirkt aus heutiger Sicht fast didaktisch einfach. Doch er beschreibt ein Grundprinzip, das bis heute die Basis praktisch aller digitalen Systeme bildet: Daten werden synchron mit einem Takt von Registerstufe zu Registerstufe übertragen.
J-K-Flipflop: Funktionsprinzip eines vierstufigen Schieberegisters.
(Bild: Texas lnstruments, Tom Burgess)
Multiplikation in digitalen Systemen
Zu Beginn erklärt der Beitrag zwei grundlegende Methoden zur Multiplikation digitaler Zahlen. Die erste Methode basiert auf der Komma- beziehungsweise Bitverschiebung. Wird eine Zahl im Binärsystem mit einer Potenz der Basis multipliziert, kann dies durch einfaches Verschieben der Bits erfolgen. Eine Linksverschiebung um eine Stelle entspricht beispielsweise einer Multiplikation mit zwei. Während eine Linksverschiebung der Multiplikation dient, nutzt das Beispiel der Grafik die Rechtsverschiebung. Hier wandert die Information von der höchsten Wertigkeit (8) zur nächsttieferen (4), was mathematisch einer Division durch zwei entspricht. Diese Methode ist in digitalen Systemen besonders effizient, weil sie sich mit relativ einfachen Schaltungen realisieren lässt.
Die zweite Möglichkeit besteht in der fortgesetzten Addition. Dabei wird eine Zahl mehrfach zu sich selbst addiert. Soll beispielsweise mit vier multipliziert werden, wird die Ausgangszahl dreimal zum Zwischenergebnis addiert. Für eine solche Operation benötigt ein digitales System im Wesentlichen drei Komponenten: einen Arbeitsspeicher für die Operanden, eine Additionsschaltung und einen Speicher für das Ergebnis.
Der Artikel zeigt damit ein grundlegendes Prinzip der frühen Digitaltechnik: Rechenoperationen wurden oft nicht direkt implementiert, sondern durch Kombination einfacher Logikfunktionen aufgebaut.
Beispielhaft: Ablauf in einem vierstufigen Schieberegister.
(Bild: Texas lnstruments, Tom Burgess)
Schieberegister als serieller Speicher
Ein zentrales Element der beschriebenen Schaltung ist das Schieberegister. Es besteht aus mehreren hintereinandergeschalteten Flipflops, die jeweils ein Bit speichern können. Mit jedem Taktimpuls übernimmt eine Registerstufe den Zustand der vorherigen Stufe. Der Artikel beschreibt eine Realisierung mit J-K-Flipflops, wie sie in den integrierten TTL-Schaltungen der Serie SN54/74 verfügbar waren. Dabei werden die Ausgänge der einzelnen Flipflops mit den Eingängen der nächsten Stufe verbunden. So entsteht eine Kette von Speicherzellen, durch die die gespeicherten Bits schrittweise weitergereicht werden.
Dieses Prinzip erlaubt mehrere Funktionen: die serielle Speicherung von Daten, die zeitlich gesteuerte Datenübertragung, die einfache Realisierung von Rechenoperationen und die Umsetzung serieller und paralleler Datenformate. Schieberegister waren daher ein elementarer Baustein früher digitaler Systeme.
Wertetabelle eines J-K-Flipflops: Abhängig von den Eingangssignalen J und K bleibt der aktuelle Zustand Qn erhalten, wird zurückgesetzt, gesetzt oder beim nächsten Taktimpuls invertiert (Qn+1).
(Bild: Texas lnstruments, Tom Burgess)
Beispiel eines vierstufigen Registers
Der Artikel illustriert die Funktionsweise anhand eines vierstufigen Registers mit den Stufen D, C, B und A, denen die Wertigkeiten 8, 4, 2 und 1 zugeordnet sind. Anstatt eine Zahl direkt als Block zu laden, zeigt das Beispiel, wie ein Bit seriell in das Register eingeschoben wird. Der Ablauf laut Grafik sieht dann wie folgt aus:
Grundzustand: Das Register ist gelöscht (0000).
Nach dem 1. und 2. Takt: Es werden Nullen eingelesen, der Zustand bleibt 0000.
Nach dem 3. Takt: Eine „1“ wird in die erste Stufe (D) geschoben. Das Register zeigt 1000.
Nach dem 4. Takt: Die „1“ wandert eine Stufe weiter zu Stufe C. Das Register zeigt 0100.
Die Bits „wandern“ also durch das Register. Wird der Ausgang der letzten Stufe mit dem Eingang der ersten Stufe verbunden, entsteht ein Ringregister, bei dem die einmal eingegebene Bitfolge kontinuierlich im Kreis läuft.
Flipflops als elementare Speicherzellen
Die Grundlage des Registers bilden Flipflops, also bistabile Schaltungen mit zwei stabilen Zuständen. Im Artikel wird die Funktion anhand der klassischen J-K-Wertetabelle erläutert. Je nach Kombination der Eingangssignale können die Flipflops ihren Zustand beibehalten, zurücksetzen, setzen oder toggeln. Diese Flexibilität machte J-K-Flipflops in der frühen TTL-Logik besonders verbreitet. Die einzelnen Registerstufen übernehmen beim Auftreten eines Taktimpulses jeweils den Zustand der vorhergehenden Stufe. Dadurch entsteht eine zeitlich definierte Weitergabe der gespeicherten Information.
Zyklischer Umlauf einer Binärzahl im Ringregister: Die Tabelle zeigt, wie sich die Zahl 0100 mit jedem Taktimpuls um eine Registerstufe verschiebt (D–A mit den Wertigkeiten 8, 4, 2, 1).
(Bild: Texas lnstruments, Tom Burgess)
Zeitverhalten der TTL-Schaltungen
Der Artikel nennt auch typische Zeitparameter der damaligen integrierten Logik. Für den Baustein SN7470 nennt der Originalartikel von 1968 beispielsweise folgende Größen:
eine Setup-Zeit (Vorbereitungszeit der Eingänge) von etwa 20 Nanosekunden
eine maximale Ausgangsverzögerung von etwa 50 Nanosekunden
Diese Zeiten bestimmen, wie schnell Daten sicher von einer Registerstufe zur nächsten übertragen werden können. Obwohl solche Werte aus heutiger Sicht relativ groß erscheinen, waren sie für die TTL-Technologie der 1960er-Jahre typisch.
Stand: 08.12.2025
Es ist für uns eine Selbstverständlichkeit, dass wir verantwortungsvoll mit Ihren personenbezogenen Daten umgehen. Sofern wir personenbezogene Daten von Ihnen erheben, verarbeiten wir diese unter Beachtung der geltenden Datenschutzvorschriften. Detaillierte Informationen finden Sie in unserer Datenschutzerklärung.
Einwilligung in die Verwendung von Daten zu Werbezwecken
Ich bin damit einverstanden, dass die Vogel Communications Group GmbH & Co. KG, Max-Planckstr. 7-9, 97082 Würzburg einschließlich aller mit ihr im Sinne der §§ 15 ff. AktG verbundenen Unternehmen (im weiteren: Vogel Communications Group) meine E-Mail-Adresse für die Zusendung von redaktionellen Newslettern nutzt. Auflistungen der jeweils zugehörigen Unternehmen können hier abgerufen werden.
Der Newsletterinhalt erstreckt sich dabei auf Produkte und Dienstleistungen aller zuvor genannten Unternehmen, darunter beispielsweise Fachzeitschriften und Fachbücher, Veranstaltungen und Messen sowie veranstaltungsbezogene Produkte und Dienstleistungen, Print- und Digital-Mediaangebote und Services wie weitere (redaktionelle) Newsletter, Gewinnspiele, Lead-Kampagnen, Marktforschung im Online- und Offline-Bereich, fachspezifische Webportale und E-Learning-Angebote. Wenn auch meine persönliche Telefonnummer erhoben wurde, darf diese für die Unterbreitung von Angeboten der vorgenannten Produkte und Dienstleistungen der vorgenannten Unternehmen und Marktforschung genutzt werden.
Meine Einwilligung umfasst zudem die Verarbeitung meiner E-Mail-Adresse und Telefonnummer für den Datenabgleich zu Marketingzwecken mit ausgewählten Werbepartnern wie z.B. LinkedIN, Google und Meta. Hierfür darf die Vogel Communications Group die genannten Daten gehasht an Werbepartner übermitteln, die diese Daten dann nutzen, um feststellen zu können, ob ich ebenfalls Mitglied auf den besagten Werbepartnerportalen bin. Die Vogel Communications Group nutzt diese Funktion zu Zwecken des Retargeting (Upselling, Crossselling und Kundenbindung), der Generierung von sog. Lookalike Audiences zur Neukundengewinnung und als Ausschlussgrundlage für laufende Werbekampagnen. Weitere Informationen kann ich dem Abschnitt „Datenabgleich zu Marketingzwecken“ in der Datenschutzerklärung entnehmen.
Falls ich im Internet auf Portalen der Vogel Communications Group einschließlich deren mit ihr im Sinne der §§ 15 ff. AktG verbundenen Unternehmen geschützte Inhalte abrufe, muss ich mich mit weiteren Daten für den Zugang zu diesen Inhalten registrieren. Im Gegenzug für diesen gebührenlosen Zugang zu redaktionellen Inhalten dürfen meine Daten im Sinne dieser Einwilligung für die hier genannten Zwecke verwendet werden. Dies gilt nicht für den Datenabgleich zu Marketingzwecken.
Recht auf Widerruf
Mir ist bewusst, dass ich diese Einwilligung jederzeit für die Zukunft widerrufen kann. Durch meinen Widerruf wird die Rechtmäßigkeit der aufgrund meiner Einwilligung bis zum Widerruf erfolgten Verarbeitung nicht berührt. Um meinen Widerruf zu erklären, kann ich als eine Möglichkeit das unter https://contact.vogel.de abrufbare Kontaktformular nutzen. Sofern ich einzelne von mir abonnierte Newsletter nicht mehr erhalten möchte, kann ich darüber hinaus auch den am Ende eines Newsletters eingebundenen Abmeldelink anklicken. Weitere Informationen zu meinem Widerrufsrecht und dessen Ausübung sowie zu den Folgen meines Widerrufs finde ich in der Datenschutzerklärung, Abschnitt Redaktionelle Newsletter.
Von der Registerkette in die Moderne
Die im Artikel beschriebenen Prinzipien sind auch mehr als fünf Jahrzehnte später unverändert relevant. Moderne digitale Systeme bestehen weiterhin aus einer Vielzahl von Registern, die über Logikfunktionen miteinander verbunden sind. In Mikroprozessoren werden Registerketten beispielsweise als Pipeline-Stufen genutzt, um Instruktionen parallel zu verarbeiten. In FPGAs bilden Flipflops und Register die grundlegenden Speicherstrukturen für sequentielle Logik. Und auch in Hochgeschwindigkeitsschnittstellen werden Daten zunächst in Schieberegister geladen, bevor sie seriell übertragen werden.
Der Unterschied liegt heute vor allem in der Dimension. Während der Artikel von einem Register mit vier Flipflops ausgeht, enthalten moderne Prozessoren Milliarden Transistoren und arbeiten mit Taktfrequenzen im Gigahertzbereich.
Der historische Beitrag aus der Elektronikpraxis zeigt, wie langlebig viele Konzepte der Digitaltechnik sind. Register, Flipflops und Taktsteuerung bilden noch immer das Grundgerüst digitaler Schaltungen.
Die Technologie hat sich dramatisch verändert – von wenigen integrierten TTL-Bausteinen zu hochkomplexen System-on-Chips. Das Prinzip dahinter ist jedoch gleich geblieben: Information wird in diskreten Zuständen gespeichert und mit jedem Takt von einer Registerstufe zur nächsten übertragen. Oder anders formuliert: Bits wandern noch immer durch Register – heute wie damals, nur sehr viel schneller. (mr)