Anbieter zum Thema
Messwiderstand mit 100 μΩ am Pluspol misst die Stromstärke

Dieser Beitrag konzentriert sich auf die Darstellung der Signalkonditionierung, des Stromversorgungsmanagements und der Kommunikationsaspekte des Sensors. Die Stromstärkenmessung erfordert die Verwendung eines 100-μΩ-Messwiderstands mit geringer Einfügungsdämpfung am positiven Anschluss der Batterie in Serie mit der Last (Bild 1).
Wie bereits angemerkt beinhalten die anspruchsvollen Spezifikationen für automobile Batteriesensoren eine Vorgabe für sehr hohe Genauigkeit. Daher muss die temperaturbedingte Veränderung des Messwiderstandes in jedem Fall äußerst gering sein, da jegliche Drift im Widerstandswert die vom Sensor gelieferten Stromstärkenmesswerte direkt beeinflusst.
Widerstand aus Manganin-Legierung mit niedrigem Temperaturkoeffizient
Aus diesem Grund kommt in der hier beschriebenen Schaltung von austriamicrosystems ein BAS-Messwiderstand mit 100 μΩ der Isabellenhütte zum Einsatz. Dieser Messwiderstandstyp verwendet eine Manganin-Legierung als Widerstandselement. Diese besitzt nicht nur einen niedrigen Temperaturkoeffizienten, sondern der gleichermaßen wichtige Seebeck-Koeffizient ist ähnlich dem von Kupfer. Damit kann die Signalerzeugung beim Einfügen in eine Kupferschiene, die Thermoelementeffekten zuzuschreiben ist, vernachlässigt werden. Die Änderung des Widerstandswerts des Messwiderstands über die Zeit ist ebenfalls minimal und zugleich prognostizierbar.
Extrem großer Messbereich von 1 mA bis 1 kA
Der anspruchsvollste Aspekt bei der Entwicklung eines automobilen Batteriesensors ist die Erfordernis einer sehr genauen Messung über einen ausgesprochen großen Stromstärkenbereich – 1 mA bis 1 kA. Hierfür wird eine Sensorschnittstelle mit einem Messbereich von >100 mV und einer Auflösung, die besser als 1 μV ist, benötigt.
Die wichtigsten Merkmale eines solchen Messsystems sind:
- Sehr geringes Rauschen,
- hohe Linearität,
- keine Nullpunktverschiebung.
Signalkonditionierung zum automatischen Eliminieren des Offsets
Messsysteme mit automatischer Offset-Kompensation verwenden normalerweise ein kontinuierliches Verfahren. In der in diesem Beitrag gezeigten High-Side-Batteriesensorlösung wird eine automatische Eliminierung des Offsets durch eine Abfolge von Signalkonditionierungsschritten erreicht:
- Zerhacken (choppen) des analogen Sensorsignals in ein Wechselspannungssignal,
- Verstärkung und Niveauverschiebung des gechoppten Signales,
- Digitalisierung des Signales,
- Gleichrichten des Signales im Digital Bereich.
Diese Architektur ermöglicht es, den Offset und die niederfrequenten Rauschanteile des gesamten Messsignalwegs der Sensorschnittstelle auszuschalten.
Ein Präzisionsspannungsteiler setzt die Batteriespannung herab
Wie in Bild 1 gezeigt, erfolgt das analoge Choppen an den Eingangs-Pins des AS8525, wo das Messwiderstandssignal mit einer Gleichtakt-Eingangsspannung von nominal 14 V anliegt. Das zerhackte Signal wird dann vom internen Verstärker mit programmierbarer Verstärkung (PGA) verstärkt, auf ein niedriges Gleichtaktspannungsniveau verschoben und zum A/D-Wandler AS8510 weitergeleitet. In dieser Anwendung muss der interne Chopper des AS8510 abweichend zur Standardkonfiguration deaktiviert und der PGA überbrückt werden. Ein spezifisch vorgesehener Chop_Clock-Pin muss dabei zur Synchronisation der beiden Komponenten aktiviert sein.

Zur Spannungsmessung wird die Batteriespannung durch einen Präzisionsspannungsteiler im AS8525 abgeschwächt und als Differenzspannung an den zweiten Datenerfassungskanal des AS8510 geleitet (Bild 2). Dieser Kanal kann mit Eingangskanälen für einen externen oder internen Temperatursensor multiplext werden.
Zwei unabhängige LDOs erlauben Trennung der analogen und digitalen Versorgung
Aus der Aufteilung der Funktionsblöcke wird deutlich, dass sämtliche auf die tatsächliche Batteriespannung bezogenen Funktionen im AS8525 stattfinden, während die Niederspannungsfunktionen zur Signalkonditionierung im AS8510 durchgeführt werden. Der AS8525, der in 0,35-μm/60-V-CMOS-Technologie gefertigt wird, stellt darüber hinaus zwei LDOs mit Power-on-Reset und Spannungsüberwachung, einen LIN-Bus-Transceiver und den hochgenauen Spannungsteiler zur Verfügung. Systementwickler haben die Option, die beiden unabhängigen LDOs im AS8525 zur Trennung der analogen- von der digitalen Versorgung des AS8510 und des Mikrocontrollers einzusetzen.
Die Temperatur lässt sich mit dem internen oder einem externen Sensor messen
Für die Temperaturmessung bestehen zwei Möglichkeiten: Falls der Sensor am Batteriepol platziert wird, kann der interne Temperatursensor des AS8510 verwendet werden, um die Batterietemperatur über den Pol, den Messwiderstand und die Leiterplatte zu erfassen. Die weitere Option für den Fall, dass die Sensorelektronik entfernt von der Batterie in einem eigenen Gehäuse platziert ist, ist der Einsatz eines externen Temperatursensors.
Kalibrieren des Sensors zum Ermitteln des Gleichtaktfehlers
Das hohe Gleichtakteingangssignal erzeugt einen Stromstärkenmessfehler von typischerweise 0,05%/V. Da das Gleichtakteingangssignal für den Messwiderstand identisch mit der Batteriespannung ist und die Batteriespannung parallel zum Batteriestrom gemessen wird, kann dieser Fehler softwareseitig im externen Mikrocontroller korrigiert werden. Ein genauer Wert für den Gleichtaktfehler kann durch Kalibrierung des fertigen Sensors festgehalten werden: ein Referenzstrom wird mit zwei unterschiedlichen Batteriespannungen angelegt, die Abweichung gemessen und dieser Wert als Kalibrierungsfaktor gespeichert.
Je kürzer die Anschlussleitungen, desto besser die Messergebnisse

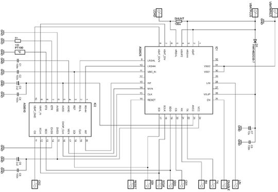
Ein Schaltbild des gesamten High-Side-Batteriesensors mit einer SPI-Ausgabe an einen Mikrocontroller zeigt Bild 3. Beim Leiterplattenlayout sollte der Messwiderstand mit sehr kurzen und symmetrischen Signalleitungen an HRSHH und HRSHL angeschlossen werden. Jede Art von Signalkopplung aus anderen Quellen muss vermieden werden. Die besten Resultate werden erzielt, wenn die Leiterplatte mit AS8525 und AS8510 direkt an den Messwiderstand gelötet werden. Dies wird erreicht, indem der Messwiderstand von unten mittels einer Heizplatte erhitzt wird, bis das Lot sich verflüssigt.
Für ein gutes EMV-Verhalten müssen alle Differenzspannungssignalleitungen so nah wie möglich beieinander und so symmetrisch wie möglich geplant werden.
Ein Chipset für die komplette High-Side-Batteriesensorik
Das Chipset AS8510 + AS8525 liefert die Spannungsversorung-, Signalkonditionierung und LIN–Bus Schittstelle für 12-V-High-Side-Sensorsysteme zum Erfassen von Stromstärke, Spannung und Temperatur bei einer typischen Samplingfrequenz von 1 kHz. Bei Verwendung eines 100-μΩ-Messwiderstands bietet es eine Auflösung bis 2,5 mA über einen Stromstärkenbereich von 1600 A mit einer Genauigkeit besser als 1%. Die Spannungsmessung besitzt eine Genauigkeit von 12 Bit oder besser.
Der Ruhestrom ist typischerweise 80 μA im Stromüberwachungs-Standby-Modus. Das Chipset erfüllt dabei alle anwendbaren Standards der Automobilindustrie vollständig. Es ist gegen Load Dump bis zu 42 V abgesichert und bietet einen Verpolungsschutz an den Messwiderstandseingängen und dem Eingang der Batteriespannungsmessung.
* Manfred Brandl ist Product Manager bei der austriamicrosystems AG in Unterpremstätten, Österreich
Artikelfiles und Artikellinks
Link: Details zum AS8510
Link: Mehr zum AS8525
(ID:357083)