Display-Hinterleuchtung Thermische Aspekte beim Design von Hochleistungs-LED-Systemen
Leuchtdioden haben sich zur LCD-Hinterleuchtung bereits bewährt, und ihre Vorteile sind unbestreitbar. Dennoch müssen Entwickler beachten, dass ihre Helligkeit und Farbe direkt von der Sperrschichttemperatur abhängen. Als Lösung bietet sich an, die Temperatur konstant zu halten oder mit einem Mixed-Signal-Prozessor die LEDs direkt nachzuregeln.
Anbieter zum Thema
Hochleistungs-LEDs strahlen im Gegensatz zu Glühlampen keine Wärme ab. Sie leiten die anfallende Wärme stattdessen von der Sperrschicht über die metallenen Anschlüsse an die Leiterplatte und an die Umgebung ab, während der Wärmetransport bei einer Glühlampe direkt vom Glühfaden über den gläsernen Lampenkörper an die Umgebung erfolgt.
Dass LEDs in großem Umfang für Gebäudebeleuchtungen und im Unterhaltungsbereich eingesetzt werden, liegt an ihrer längeren Lebensdauer, ihrem höheren Wirkungsgrad und ihrer flexibleren Farberzeugung, denn mit einem System aus mehreren LEDs lassen sich unterschiedliche Farben generieren bzw. mischen. Dies geschieht beispielsweise bei Hintergrundbeleuchtungen für LCDs, wo weißes Licht mit einer Farbtemperatur von 6500 K benötigt wird.
Bei anspruchsvollen Hintergrundbeleuchtungen ist eine präzise Farbanpassung über das gesamte Display hinweg erforderlich, was eine exakte Abstimmung der thermischen und optischen Konstruktion eines jeden Systems erfordert. Optimal ist die Verwendung eines Farbsensors, um Temperatur und Alterung der LED zu berücksichtigen.
Temperatureffekte an LEDs

Da die dominierende Wellenlänge, die Helligkeit und die Vorwärtsspannung einer LED von ihrer Sperrschichttemperatur abhängen, müssen die thermischen Eigenschaften eines LED-Beleuchtungssystems genau kontrolliert werden. Bild 1 zeigt, wie die Helligkeit der LED mit zunehmender Sperrschichttemperatur stetig abnimmt. Auch die dominierende Wellenlänge λD, also die Farbe der LED verändert sich mit der Temperatur. Diese Drift ist zwar nur gering, doch bei großen Temperaturänderungen verändert sich die Farbtemperatur der Hintergrundbeleuchtung erkennbar.
Die Temperaturabhängigkeit von Farbe und Helligkeit einer LED lässt sich auf verschiedene Weise kompensieren. Am einfachsten ist eine Temperaturregelung, während der Einsatz eines Farbsensors das komplexeste Verfahren darstellt, um die Farbe der LED zu stabilisieren. Zur Temperaturregelung wird die Sperrschichttemperatur TJ der LED mithilfe der Leiterplattentemperatur TB sowie der Vorwärtsspannung (Vf) und Stromstärke (ILED) der LED mit Gleichung 1 bestimmt:
TJ = TB + ΘJB·ILED·Vf
ΘJB ist der thermische Widerstand zwischen Sperrschicht und Platine. Durch lineare Approximation der Temperaturkennlinien lassen sich Farbe und Helligkeit der LED näherungsweise bestimmen und auf die jeweils herrschende Temperatur aktualisieren.
LED-Farben präzise regeln
Mit einem Mixed-Signal-Mikrocontroller ist es möglich, die Ist-Parameter der LED zu messen, einen Farbmischpunkt zu berechnen und die dazu benötigten Treibersignale zu generieren. Ein solcher Baustein kann mehrere Ketten verschiedenfarbiger LEDs ansteuern, die Leiterplattentemperatur erfassen, Stromstärke und Vorwärtsspannung der LEDs messen und daraus deren Ansteuerung so berechnen, dass die angestrebte Farbe erzielt wird. Für diese Zwecke eignet sich neben der ADuC-Familie von Analog Devices auch die PSoC-Familie von Cypress.
Eine genauere Farbregelung ist mit Farbsensoren möglich, die das von den LEDs abgegebene Licht direkt vermessen. Abweichungen der Farbtemperatur vom Sollwert lassen sich durch Variieren der Treibersignale für die einzelnen Farbkomponenten korrigieren. Nicht nur die Platzierung des Farbsensors ist entscheidend für eine gleichmäßige Farbe, sondern es kommt auch auf eine einheitliche Temperaturzunahme aller LEDs der Hintergrundbeleuchtung an.
Ein Problem stellt die Tatsache dar, dass die Helligkeit einer LED mit zunehmender Temperatur abnimmt. Meldet der Farbsensor nämlich eine zu geringe Helligkeit, wird der Mikrocontroller naturgemäß den Ansteuerstrom erhöhen, was jedoch die Temperatur nur noch stärker ansteigen und die Helligkeit weiter abnehmen lässt. Wenn der Mikrocontroller hierauf das Treibersignal noch weiter verstärkt, was die LED ihrerseits mit noch geringerer Helligkeit quittiert, kommt es schließlich zu einem vorzeitigen Ausfall der Leuchtdiode.
Eine einfache Gegenmaßnahme besteht darin, mit einem Temperatursensor in der Nähe der LEDs die Sperrschichttemperatur nach Gleichung 1 näherungsweise zu bestimmen und die LEDs bei zu starker Erwärmung abzuschalten. Verlässlicher aber ist ein sorgfältig konzipiertes elektromechanisches System, das bei einer bestimmten Verlustleistung einen definierten Temperaturanstieg an den Tag legt. Gut wärmeleitende Materialien wie Metallkern-Leiterplatten oder Wärmeverteiler aus natürlichem Graphit können den Temperaturanstieg kontrollieren und überdies für eine einheitliche Temperatur sorgen.

Zum Modellieren der thermischen Verhältnisse wird zunächst die Wärmequelle ermittelt – in diesem Fall das LED-Gehäuse. Anschließend werden die Materialien zwischen der Wärmequelle und der Umgebung sowie die Umgebungstemperatur ins Kalkül gezogen. In thermischen Modellen wird die Verlustleistung der LED als Stromquelle nachgebildet, der Wärmewiderstand als elektrischer Widerstand und die Umgebungstemperatur als Spannungsquelle (Bild 2). Man erkennt rein intuitiv, dass die LED-Sperrschichttemperatur umso geringer ist, je niedriger der Wärmewiderstand und je geringer die Umgebungstemperatur ist. Damit bei gegebener Verlustleistung der Umgebungstemperaturbereich möglichst groß ist, ist der Gesamtwärmewiderstand zwischen Sperrschicht und Umgebung (ΘJA) zu minimieren.
Abgesehen von ΘConvection sind alle Werte sehr vom Material bzw. Bauteilzulieferer abhängig. So kann ΘJC je nach LED-Hersteller zwischen 2,6 und 18 K/W betragen. ΘConvection wiederum hängt von der Lage und der Größe der Oberfläche ab. Zusätzlich geht hier der jeweilige Wärmeübergangskoeffizient mit ein.
Thermisches Design am Beispiel eines Drei-LED-Moduls
Um ein praktisches Beispiel durchzurechnen, betrachten wir ein Modul aus drei Mehrfarb-LEDs vom Typ Luxeon K2. Jedes Modul enthält je eine rote, grüne und blaue LED. Die LEDs sind auf einen horizontal ausgerichteten Wärmeverteiler aus Naturgraphit montiert. Als Wärmeleitmaterial (Thermal Interface Material – TIM) fungiert Lot. Bild 2 gibt eine Übersicht über die Wärmewiderstände:
PLED = 3,85 W
ΘJC = 9 K/W
ΘCB(Lot) = 0,08 K/W
ΘConvection = 1,9 K/W
ΘJA = 10,98 K/W
TA,max = 50°C
Mit den fett hervorgehobenen Werten lässt sich die maximale Sperrschichttemperatur wie folgt berechnen:
TJ, max = 50 °C + 3,85 W · 10,98 °C/W = 92,3 °C
Diese Sperrschichttemperatur ist zwar noch unkritisch, doch Bild 1 zeigt, dass die Helligkeit bei dieser Temperatur bereits spürbar abnimmt. Die rote LED leuchtet nur noch mit 55% ihrer nominellen Helligkeit, während die grüne LED mit 90% ihrer Nennhelligkeit leuchtet und bei der blauen LED keine Veränderung eintritt. Die Farbe des Moduls insgesamt wird durch diese unterschiedlichen Charakteristika stark beeinflusst. Eine Helligkeitsregelung ist daher unbedingt notwendig.

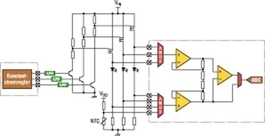
Bild 3 zeigt eine Schaltung, mit der sich die LED-Sperrschichttemperatur näherungsweise bestimmen lässt. Die analoge Eingangsschaltung dient zugleich als Instrumentenverstärker (INSAMP) zum Messen der LED-Vorwärtsspannung und als Single-Ended-Verstärker (PGA; nicht abgebildet), der die Spannung an den Stromabtast-Widerständen und am NTC-Widerstand verstärkt. Das Umschalten zwischen beiden Funktionen erfolgt durch Wechseln des Verbindungspunkts der internen Widerstandskette. Analog-Multiplexer ermöglichen außerdem die Messung von bis zu 8 Signalen mit denselben Verstärkern. Im vorliegenden Fall werden Vorwärtsspannung und Strom von drei LEDs und einem Thermistor gemessen.
Farben und Helligkeit von LEDs konstant halten
Die Farbe und Helligkeit einer LED hängt stark von ihrer Sperrschichttemperatur ab. Insbesondere bei LCD-Hintergrundbeleuchtungen, wo ein neutrales Weiß benötigt wird, können sich solche Variationen sehr störend bemerkbar machen. Zumal rote, grüne und blaue LEDs ihr Verhalten mit der Temperatur unterschiedlich verändern.
Um Farbe und Helligkeit konstant zu halten, ist daher eine genaue Temperaturkontrolle und nachfolgende Regelung der LEDs erforderlich. Dazu wird aus LED-Strom, LED-Spannung, Platinentemperatur und thermischem Widerstand annäherungsweise die Sperrschichttemperatur der LED ermittelt. Ein Mixed-Signal-Prozessor errechnet dann die nötigen Parameter zur Farbsteuerung und generiert die entsprechenden Treibersignale.
Noch genauer lässt sich die Farbe mithilfe von Farbsensoren regeln. Sie messen die Farbwerte, und der Mixed-Signal-Prozessor variiert entsprechend die Treibersignale. Um der Tatsache Rechnung zu tragen, dass die LED-Helligkeit bei zunehmender Temperatur abnimmt, kommt zusätzlich ein elektromechanisches System zum Einsatz, das für eine einheitliche Temperatur sorgt. Hierbei hilft ein Ersatzschaltbild, das thermische Quellen und Senken sowie Widerstände modelliert. Anhand dessen lassen sich die benötigten Parameter errechnen und das Modell in die Praxis umsetzen.
*Patrick Prendergast ist PSoC Applications Engineer bei Cypress Semiconductor
(ID:218689)