Anbieter zum Thema
Ein Layout-Beispiel

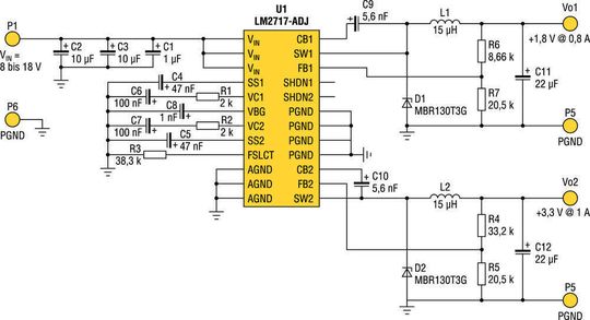
Bild 2 zeigt einen doppelten Buck-Schaltregler auf Basis des LM2717 von National Semiconductor. In Bild 3 ist das Layout für eine Leiterplatte zu dieser Schaltung wiedergegeben. Dabei sind die in diesem Beitrag angeführten Richtlinien beachtet worden.

Lage 1 enthält sämtliche Leistungs-Bauteile sowie großzügig dimensionierte Kupferflächen für die hohen Ströme. Lage 2 fungiert als Ground-Plane und ist nur an einem einzigen Punkt in der Nähe des Eingangs mit der übrigen Schaltung verbunden, sodass in ihr keine Ströme fließen. Lage 3 und die unterste Lage enthalten Kleinsignal- und Leistungsleiterbahnen. Alle auf der untersten Lage angeordneten Bauelemente sind klein. Die ungenutzte Fläche ist wie gefordert mit Kupferflächen ausgefüllt.
Weitere Layout-Empfehlungen finden Sie über die rechts angegebenen Links.
*L. Haachitaba Mweene ist als Applications Manager bei National Semiconductor in Santa Clara, Kalifornien/USA tätig.
(ID:208787)