Anbieter zum Thema
Vorteile eines alternativen Ansatzes

Zum Glück gibt es eine weitere Möglichkeit, mit der sich die Nachteile getrennter Takt-ICs in Multiprozessor-Designs verhindern lassen. Ein programmierbarer Takt-IC mit mehreren Ausgängen bietet unabhängige Ausgänge mit einem einzigen Quarz und kann somit zwei, vier oder mehr Takt-ICs ersetzen. Diese Bausteine bieten eine Vielzahl von Ausgangsoptionen, Konfigurationen und Frequenzbereichen und eigenen sich für eine Reihe von Anwendungen.
Bei einem Takt-IC mit mehreren Ausgängen kommt es darauf an, seine Funktionen an die Anforderungen der verschiedenen Taktlasten anzupassen. In vielen Designs weisen die verschiedenen Lasten nicht nur unterschiedliche Frequenzen auf, sondern auch verschiedene Spannungen, Formate, Anstiegs-/Abfallzeiten und Jitter-Spezifikationen. Der Takt für ein Highend-FPGA oder einen SoC-Baustein stellt wesentlich höhere Anforderungen als das Taktsignal für eine Low-Speed-Kommunikationsverbindung im gleichen Design. Trotzdem möchte der Entwickler einen einzigen Takt-IC verwenden, der alle unterschiedlichen Anforderungen erfüllt.
Die neueste Generation programmierbarer Takt-ICs ist dafür ausgelegt, selbst schwierige Anforderungen zu erfüllen. So enthalten die Virtex-6- und Virtex-7-FPGAs von Xilink nun Transceiver mit Datenraten zwischen 480 MBit/s und 6,6 GBit/s bzw. zwischen 2,488 und 11,18 GBit/s, eine PCI Express Base mit einer Datenrate von bis zu 5 GBit/s pro Lane und einen Ethernet-MAC-Block, der 10/100/1000-MBit/s-Verbindungen unterstützt.
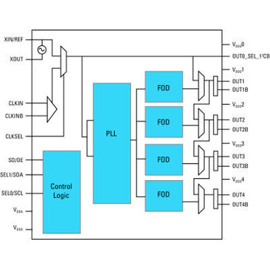
Um die Anforderungen FPGA-basierter Designs zu erfüllen, bietet IDT die Takt-ICs der VersaClock-6-Serie an (siehe Bild 1). Die Bausteine bieten zwischen zwei und acht konfigurierbare Ausgängen (LVDS oder LVPECL) sowie je nach gewähltem Baustein zwei, drei oder vier OTP-Konfigurationen (One-Time Programmable). Alle Takt-ICs basieren auf einem Fractional-Output-Teiler für maximale Flexibilität und können jede Frequenz zwischen 1 und 350 MHz erzeugen. Besonders hervorzuheben ist der garantierte effektive (RMS) Phasenjitter, der weit unter 500 fs (0,5 ps) liegt.
(ID:43952868)