Power-Tipps von TI, Teil 41 Diskrete Komponenten - eine gute Alternative zu integrierten MOSFETs
Im Power-Tipp, Teil 40 haben wir über einen in MOSFET-Gatetreiber-Schaltungen verwendeten Emitterfolger gesprochen und gesehen, dass die Ansteuerungsströme im 2-Ampere-Bereich mit kleinen SOT-23-Transistoren erreichbar sind. In diesem Power-Tipp geht es um selbstgesteuerte synchrone Gleichrichter
Anbieter zum Thema

Wir werden uns ansehen, wann diskrete Treiber zum Schutz der Gates von synchronen Gleichrichtern vor Überspannungen erforderlich sind. Idealerweise werden die synchronen Gleichrichter direkt vom Leitungstransformator aus angesteuert. Bei großen Eingangsspannungsbereichen kann allerdings die Transformatorspannung so hoch sein, dass die synchronen Gleichrichter beschädigt werden.

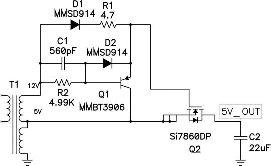
Bild 1 zeigt einen diskreten Treiber zur Steuerung des Stromflusses von Q2 in einem synchronen Sperrwandler. Diese Schaltung liefert kontrollierten Gate-Einschaltstrom und schützt das Gate des Gleichrichters vor hoher Umkehrspannung. Die Schaltung startet mit einer negativen Spannung an den Ausgängen des Transformators auf. Der 12-Volt-Ausgang ist negativer als der 5-Volt-Ausgang, wodurch Q1 leitet und die Gate-Source-Spannung im Leistungs-FET Q2 kurzschließt und diesen dadurch schnell abschaltet.
Da der Basisstrom durch R2 fließt, entsteht eine negative Spannung am Differenzierglied-Kondensator C1. Währenddessen leitet der primäre FET und speichert Energie in der Hauptinduktivität des Transformators. Wenn der primäre FET abschaltet, kehrt sich die Ausgangsspannung des Transformators ins Positive um. Die Gate-Source Spannung von Q2 erhält durch D1 und R1 eine schnelle Vorwärts-Vorspannung, wodurch Q2 leitet.
Während sich C1 entlädt ist der Übergang von Basis zu Emitter an Q1 wird durch D2 geschützt. Die Schaltung bleibt in diesem Zustand, bis der primäre FET erneut eingeschaltet wird. Der Ausgangsstrom kann die Ausgangskondensatoren genauso entladen wie ein synchroner Abwärtsregler dies könnte. Durch das Einschalten des primären FETs bricht die Spannung am sekundären Transformator zusammen, wodurch die positive Ansteuerspannung an Q2 wegfällt.
Dieser Übergang kann einen starken Durchschlag zur Folge haben, wenn gleichzeitig sowohl der primäre FET als auch Q2 leiten. Um die Zeit zu minimieren, in der sowohl der primäre als auch der sekundäre FET eingeschaltet sind, schließt Q1 den Gate-Source Übergang am synchronen Gleichrichter Q2 so schnell wie möglich kurz.

Bild 2 zeigt einen diskreten Treiber zur Steuerung des Stromflusses von Q1 und Q4 in einem synchronen Vorwärtswandler. Bei dieser Konstruktion ist der Eingangsspannungsbereich groß. Dadurch können an den Gates der beiden FETs Spannungen entstehen, die über ihrem Nennwert liegen. Daher ist eine Begrenzungsschaltung erforderlich. Diese Schaltungskonfiguration schaltet Q4 ein, wenn die Transformator-Ausgangsspannung positiv ist, und Q1, wenn sie negativ ist.
Die Dioden D2 und D4 begrenzen die positive Ansteuerspannung auf ca. 4,5V. Die FETs werden durch D1 und D3 abgeschaltet, die durch den Transformator und den Strom in der Spule angesteuert werden. Die Gate-Umkehrspannungen werden durch Q1 und Q4 an Masse geklemmt. Bei dieser Schaltung ist die Gate-Kapazität der FETs relativ gering, daher sind die Schaltvorgänge schnell.
Größere FETs erfordern möglicherweise die Implementierung eines PNP-Transistors zur Entkopplung der Gate-Kapazität von der Transformatorwindung und zur Erhöhung der Abschaltgeschwindigkeit. Die Auswahl der passenden Kombination der Gatetreiber-Transistoren Q2 und Q3 ist entscheidend, denn in diesen Transistoren kann ein beträchtlicher Teil der Leistung umgesetzt werden, da sie während der Aufladung der FET-Gate-Kapazitäten als Linearregler arbeiten. Zudem kann bei höheren Ausgangsspannungen auch in die R1 und R2 umgesetzte Leistung erheblich sein.
Zusammenfassend können viele Netzteile mit synchronen Gleichrichtern die Windungsspannung des Transformators zur Ansteuerung der Gates der synchronen Gleichrichter verwenden. Große Eingangsspannungsbereiche oder hohe Ausgangsspannungen erfordern Schutzschaltungen zum Schutz der Gates.
Mit dem in Bild 1 dargestellten synchronen Sperrwandler haben wir Ihnen gezeigt, wie Sie die Umkehrspannung am Gate des synchronen Gleichrichters begrenzen und gleichzeitig schnelle Schaltübergänge beibehalten können. Auf ähnliche Weise wurde mit dem synchronen Vorwärtswandler in Bild 2 dargestellt, wie Sie die positive Ansteuerungsspannung an den Gates der synchronen Gleichrichter begrenzen können.
Seien Sie auch nächstes Mal dabei, wenn wir über Lasten mit hohe di/dt-Lasttransienten und ihre Auswirkungen auf Konstruktion und Tests geeigneter Netzteile sprechen.
Weitere Informationen zu dieser und anderen Stromversorgungslösungen finden Sie unter www.ti.com/power-ca.
* * Robert Kollmann ist Senior Applications Manager und Distinguished Member of Technical Staff bei Texas Instruments
(ID:35074150)