Anbieter zum Thema
Möglichkeiten für die Leistungswandlung
Der wichtigste Parameter bei der Auswahl einer Display-Hintergrundbeleuchtung ist der Wirkungsgrad. Max. Batterielebensdauer ist heute ein entscheidender Entwicklungsparameter. Ist der Wirkungsgrad der gewählten Lösung gering, reduzieren sich die Betriebs- und Standby-Zeiten erheblich. Zur Spannungswandlung und Ansteuerung weißer LEDs sind verschiedene Methoden denkbar.
Wie bereits erwähnt, lassen sich induktive als auch kapazitive DC/DC-Wandler einsetzen. Diese können Topologien mit konstantem Strom oder konstanter Spannung aufweisen. Ein Vergleich des Wirkungsgrades beider Topologien erweist sich jedoch als schwierig. Da die Helligkeit proportional zum Strom ist, lässt sich der Wirkungsgrad am Besten bei einem bestimmten Diodenstrom vergleichen. Dabei wird die gesamte Eingangsleistung des DC/DC-Wandlers gemessen.
- Kapazitiver DC/DC-Wandler mit konstanter Ausgangspannung

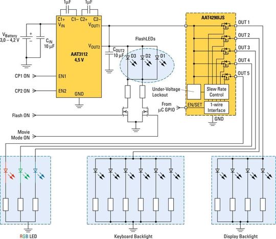
Viele der handelsüblichen LCD-Module enthalten bereits die LEDs und Bias-Widerstände für die Hintergrundbeleuchtung. Die LEDs sind meist parallel angeschlossen. Solche Module benötigen nur eine einzige Versorgungsspannung von 5 V. In diesem Fall bietet ein kapazitiver DC/DC-Wandler mit konstanter Ausgangsspannung die richtige Lösung. AnalogicTechs AAT3112 (Bild 2) ist ein Beispiel für einen solchen Baustein, der nur vier kleine externe Komponenten benötigt. Er liefert bis zu 500 mA gepulsten Strom und ist im 16-Pin/3 3 3mm-QFN-Gehäuse erhältlich. Der max. Wirkungsgrad beträgt 83%.
- Kapazitiver DC/DC-Wandler mit vier Konstantstromausgängen

Eine dritte Art von Wandlern ist AnalogicTechs AAT3141 (Bild 3), ein kapazitiver DC/DC-Wandler mit vier Konstantstromausgängen. Dieser Treiberbaustein mit niedrigem Rauschen verwendet eine Konstantfrequenz-Dreifach-Modus-, (1x), gebrochene (1,5x) und doppelte (2x) Ladungspumpenwandlung für max. Wirkungsgrad. Gleichzeitig wird die Helligkeit der weißen LEDs mit einer genauen Stromanpassung gesteuert, ohne dass zusätzliche Lastwiderstände erforderlich sind.
Hoher Wirkungsgrad über gesamten Spannungsbereich der Lithium-Ionen-Zelle
Drei Betriebsmodi gewährleisten über den gesamten Spannungsbereich der Lithium-Ionen-Zelle einen hohen Wirkungsgrad. Falls ein reiner Spannungsverdoppler zum Einsatz käme, würde die Ausgangsspannung einer voll geladenen Zelle bis zu 8 V betragen. Dann wäre eine Regulierung hinab auf 3,6 V erforderlich, was einen erheblichen Leistungsverlust darstellt. Falls die Zellenspannung nur um das 1,5-fache erhöht wird, verringern sich die Verluste und der Wirkungsgrad fällt wesentlich höher aus. Ist die Eingangsspannung größer als die Durchlassspannung für die LED, geht der Baustein in den 1x-Modus und steuert den Strom linear ohne dabei die Ladungspumpe zu verwenden.
Das Umschalten zwischen dem 1x- und dem 1x-/2x-Modus geschieht vollautomatisch und für den Anwender einsehbar. Die typische Durchlassspannung einer weißen LED beträgt etwa 3,5 V. Die Li-Ionen-Zelle stellt in den meisten Applikationen mit dem Großteil ihrer Kapazität (87%) über 3,6 V Spannungsversorgung zur Verfügung. Bis zu diesem Wert des Entladungszyklus befindet sich der Wandler im 1x-Modus und verbraucht nur 500 µA Strom.
Verdopplungsmodus stellt erforderliche Spannung zur Verfügung
Durch den Verdopplungsmodus (2x) wird sichergestellt, dass selbst während eines GSM-Übertragungs-Bursts (wenn die Zellenspannung auf bis zu 400 mV abfallen kann) genügend Spannung zur Verfügung steht, um den eingestellten Strom aufrecht zu erhalten und somit ein Flackern der Hintergrundbeleuchtung zu verhindern.
Dieser Wandler bietet vier 30-mA-Ausgänge und verwendet eine Leitung zur Helligkeitssteuerung in 32 unabhängigen Schritten. Die Ausgänge sind einzeln verwendbar oder lassen sich parallel schalten, damit LEDs mit höheren Strömen angesteuert werden können. Die Ausgangstreiber sind flexibel und lassen sich als Vierergruppe betreiben – wobei alle Ausgänge für den gleichen Helligkeitsgrad programmiert sind – oder als Dreiergruppe mit einem Einzelausgang, wobei sich die Helligkeit unabhängig voneinander regeln lässt. Dies trifft vor allem auf Applikationen zu, in denen ein Haupt- und Nebendisplay integriert sind. Auch hier wird nur über eine einzige Leitung geregelt.
Überwacht jede Diode und wählt optimale Stromversorgung
Weiter bietet der Wandler eine proprietäre Schaltvorrichtung zwischen den internen Stromversorgungen und jedem Ausgang. Der Baustein überwacht jede Diode und wählt die optimale Stromversorgung anhand der Durchlassspannung der angesteuerten Diode. Dabei wird sichergestellt, dass keine unnötige Leistung verschwendet wird.

Bild 4 zeigt den Aufbau des AAT3141. Dieser ist im 12-Pin/2,85 mm 3 3 mm-TSOPJW-Gehäuse erhältlich. Modell AAT3140 steht für Applikationen mit einem Display zur Verfügung.
*Jan Gripsborn ist Field Applications Manager EMEA bei Analogic Tech.
(ID:197730)