Anbieter zum Thema
Viele Geräte arbeiten im Grunde mit Gleichspannung
Doch warum eigentlich ein DC-Bordnetz? Die meisten Geräte arbeiten doch mit Netzspannung! Das stimmt nur auf den ersten Blick. Beim Großteil unserer Geräte im Haushalt muss nicht ein Motor angetrieben, sondern eine Elektronik versorgt werden. Im Zeitalter der Halbleitertechnik bedeutet dies eine Versorgung mit Gleichspannung. Das heißt aber, dass die 230 VAC aus der Steckdose zuerst auf für die Elektronik taugliche 24, 12 oder 5 VDC transformiert werden müssen. Sehr oft wird z.B. in Hifi-Anlagen, Computern oder anderen Bürogeräten hierfür ein überdimensioniertes Netzteil verwendet, das die verschiedenen benötigten DC-Spannungen liefert. Damit kann ein akzeptabler Wirkungsgrad von ≥90% während des Betriebs erzielt werden. Doch der Standby-Verbrauch ist eklatant. Und seien wir ehrlich, solche Geräte laufen den Großteil der Betriebszeit im Leerlauf.
Im Standby-Betrieb sind nur noch 500 mW erlaubt

Hier schiebt glücklicherweise die EuP-Rahmenrichtlinie (Energy using Products) einen Riegel vor. Seit Anfang 2013 dürfen elektronische Geräte im Standby-Betrieb nur noch 500 mW (mit Display 1 W) verbrauchen. Um dieser Richtlinie zu entsprechen, muss das Hauptnetzteil solcher Geräte mit einem kleinen AC/DC-Wandler und einem Relais, wie in Bild 2 dargestellt, geschaltet werden. Nur so kann der Leerlaufverbrauch unter die magische 500-mW-Grenze gedrückt werden.

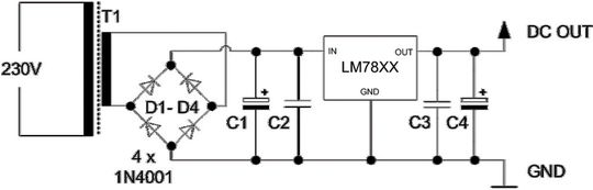
Doch die schlimmsten Stromverschwender sind viel unscheinbarer: die unzähligen Ladegeräte, die meist sehr einfach und damit kostengünstig aufgebaut sind (Bild 3). Der Übeltäter ist dabei der Linearregler (z.B. LM78-Serie), der den Wirkungsgrad auf unterirdisch schlechte 60 bis 65% drückt. Zwar ließe sich dieses Problem mit einem Schaltregler (z.B. R-78-Serie) mit einem typischen Wirkungsgrad von ≥95% deutlich verbessern, jedoch halten Billiganbieter aus Preisgründen an der veralteten Technologie fest. Dabei stellt sich die Frage, ob da an der richtigen Stelle gespart wird?
Auch die Belauchtung wird elektronisch – dank LEDs
Selbst das Licht ist durch die LED-Technik elektronisch geworden und arbeitet mit Gleichspannung. Auch hier bedarf es wieder einer „Krücke“ um die Leuchtdiode direkt aus dem Netz zu versorgen: sogenannte AC/DC-LED-Treiber. Für Beleuchtungsobjekte im Haushalt sind üblicherweise LED-Leuchten mit 15 bis 30 W vollkommen ausreichend (zum Vergleich: eine 25-W-LED-Beleuchtung liefert in etwa dieselbe Lichtausbeute wie eine 100-W-Glühbirne). AC/DC-LED-Treiber in diesen Leistungsbereichen kommen allerdings kaum über einen Wirkungsgrad von 80% hinaus.
Diese Beispiele zeigen, dass wir alleine durch die AC-Versorgung unserer Elektrogeräte 15 bis 20% der aufgenommenen Energie „verheizen“. Diese Energieverschwendung würde ein DC-Bordnetz auf einen Schlag beseitigen.
Rechnet man dazu noch den Verlust von mindestens 5%, der durch die Wechselrichtung der Spannung aus der Photovoltaikanlage entsteht, verschwenden wir bis zu 25% der bezogenen Energie – in Zeiten steigender Energiepreise ein teurer Luxus.
Heute müssen wir die Ideen für morgen realisieren
Natürlich ist hier der Einwand berechtigt, dass diese Lösungen nur für Neuinstallationen in Frage kommen und daher Zukunftsmusik sind. Doch wenn wir nicht heute damit beginnen, Lösungen für die Zukunft zu ersinnen und umzusetzen, wann dann?

Denn auch für bereits bestehende Hausinstallationen gibt es heute schon passende Lösungen, z.B. das Netzteil RAC03-SCR von RECOM (Bild 4 links). Dank seiner einzigartigen Form findet es in jeder gängigen Unterputzdose Platz. Aufgrund des flachen Designs sogar hinter einem Schalter- oder Steckdosen-Einsatz. Das macht es zur perfekten Lösung als effiziente Versorgung für Steuergeräte, z.B. einem Wanddisplay für die Steuerung der elektrischen Rollläden zur Beschattung des Wohnbereichs oder eines Bedienfelds um die Beleuchtung der aktuellen Stimmung anzupassen. Sogar als Ladestation für Handy & Co. kann der RAC03-SCR dienen, indem er hinter einer USB-Buchse in der Wand verschwindet.
Da sich Steuergeräte manchmal auch im Verteilerkasten finden, bedarf es hier einer einfachen Lösung, um das benötigte Kleinleistungsnetzteil auf einer Hutschiene zu montieren. Perfekt dafür geeignet ist der universelle DIN-Rail-Adapter (Bild 4 rechts), den RECOM für seine AC/DC-Module anbietet. Im Leistungsbereich von 1 bis 10 W können die Module, je nach Anforderung, individuell angepasst werden.
Edisons Konzept ist voll im Trend
Edison würde sich bestimmt freuen, wenn er wüsste, dass sein Konzept heute trendiger denn je ist. Denn in absehbarer Zeit werden Smart Homes zu einem großen Teil mit regenerativer Gleichspannung versorgt werden. Doch bis es soweit ist, sollten wir versuchen mit pfiffigen Lösungen, wie RECOMs flacher Scheibe, einen ersten Schritt in die Zukunft zu machen.
* Thomas Rechlin ist Senior FAE für Europa bei RECOM Engineering in Gmunden, Österreich.
(ID:42261367)