Anbieter zum Thema
Die Technik, welche auf „Spatial Saliency Tracking“ mit „Magnetic Saliency“ beruht, eignet sich für den „Zero-Speed“-Betrieb und ermöglicht es, die Anfangsstellung des Rotors ohne Einflüsse von Parametern zu bestimmen. Zur Ermittlung der Rotoranfangsposition werden hauptsächlich zwei Basismethoden verwendet. Diese basieren auf dem Einsatz der „Pulse Signal Injection“ oder der sinusförmigen „Carrier Signal Injection“.

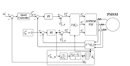
Im Abschätzungsbeispiel in Bild 1 und der daraus abgeleiteten Gleichungen wird das Fehlersignal Vds_error vom PI-Kompensator verarbeitet und man erhält die Rotorgeschwindigkeit. Der Rotorwinkel wird durch Integration der abgeschätzten Geschwindigkeit berechnet. Studien von Bon-Ho Bae haben gezeigt, dass die vorgeschlagene Abschätzung sehr genaue und zuverlässige Geschwindigkeitsinformationen für die Anwendung liefert.
Bei Geschwindigkeiten von Null oder bei geringen Drehzahlen ist die Gegen-EMK für die vorgeschlagene Vektorsteuerung jedoch nicht groß genug. Für einen reibungslosen Betrieb von einer Drehzahl von Null aus wurde der Strom mit einer konstanten Größe und einem vorgegebenen Frequenzmuster gesteuert. Hier wird der Winkel für den synchronen Referenzframe durch Integration der Frequenz (Anlaufmethode) gewonnen.
EKF-Techniken zur Drehzahl- und Rotorabschätzung
Wegen seiner Fähigkeiten, Zustandsabschätzungen für nichtlineare Systeme in Umgebungen mit elektrischem Rauschen durchführen zu können, erscheint EKF als guter und recheneffizienter Kandidat zur Online-Abschätzung der Drehzahl und Rotorposition eines PMSMs. Eine ähnliche Herleitung ergibt sich mit den Eigenschaften der EKF-Technik (nach Mohamed Boussak), ebenfalls in Verbindung mit dem Motoranlauf.
Artikelfiles und Artikellinks
(ID:354262)