Power-Tipp Ein Sperrwandler für hohe Leistungen

Von Frederik Dostal 3 min Lesedauer

Anbieter zum Thema

In diesem Power-Tipp stelle ich einen mehrphasigen Sperrwandler vor. Dieser verschiebt die maximal mögliche Leistungsgrenze, ist einfach zu entwerfen und bietet geringere leitungsgebundene Störungen.

Bild 1: Einfache Sperrwandler-Schaltung mit No-Opto-Technik.(Bilder:  ADI)
Bild 1: Einfache Sperrwandler-Schaltung mit No-Opto-Technik.
(Bilder: ADI)

Sperrwandler oder auch ‚Flyback Regler‘ genannt sind eine gute Möglichkeit, eine geregelte, galvanisch getrennte Spannung zu erzeugen. Der Einsatzbereich dieser Spannungswandlungstechnik ist breit, da die Schaltung recht einfach aufgebaut und die Technik ausgereift ist. Bild 1 zeigt eine vereinfachte Darstellung des Sperrwandlers.

Es gibt jedoch einige Limitierungen beim Einsatz eines Sperrwandlers: Die maximal übertragbare Leistung ist begrenzt. Das ergibt sich aus der Tatsache, dass während der On-Zeit des Schalters Q1 in Bild 1 ein primärseitiger Strom fließt und während dieser Zeit Energie in den Transformatorkern T1 gespeichert wird. Während der Off-Zeit von Q1 findet primärseitig kein Stromfluss statt, jedoch bildet sich sekundärseitig ein Strom aus. Die zuvor gespeicherte Energie wird über die Sekundärwicklung frei gegeben.

Da der Transformator nur eine gewisse Energiemenge speichern kann, ist die maximale Leistung eines Sperrwandlers begrenzt. Obwohl mit speziellen Transformatoren auch Leistungen von mehr als 100 W möglich sind, wird ein Sperrwandler üblicherweise bis zu einer Ausgangsleistung von ca. 60 W eingesetzt.

Um Sperrwandler-Schaltungen auch bei höheren Leistungen sinnvoll zu betreiben, gibt es eine unübliche, aber geschickte Möglichkeit. Man kann den Sperrwandler mit zwei oder noch mehr Kanälen betreiben. Die Ausgangsleistung wird somit auf mehrere kleinere Transformatoren aufgeteilt. Diese stehen in einer großen Auswahl zur Verfügung und können parallel eingesetzt werden.

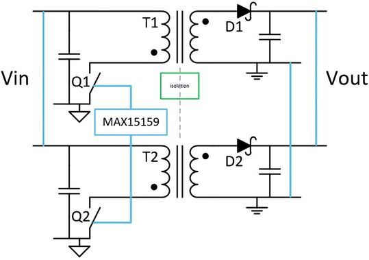
Bild 2: Der Baustein MAX15159 kann zum Regeln eines mehrphasigen Sperrwandlers genutzt werden.(Bild:  ADI)
Bild 2: Der Baustein MAX15159 kann zum Regeln eines mehrphasigen Sperrwandlers genutzt werden.
(Bild: ADI)

Bild 2 zeigt eine Sperrwandler-Schaltung mit zwei Kanälen. Diese wird mit einem speziellen Steuerbaustein, dem MAX15159, angesteuert. Es handelt sich bei diesem IC um einen zweikanaligen Flyback Controller, welcher phasenversetzt arbeitet und sicherstellt, dass die Ströme durch die zwei Pfade gleichmäßig aufgeteilt werden. Es ist sogar möglich, mit zwei ICs des Typs MAX15159 einen vierphasigen Sperrwandler mit vier Transformatoren zu betreiben. Dadurch erzeugt die Schaltung sehr hohe Leistungen von mehr als 100 W mit kleinen Transformatoren.

Ähnlich wie bei einkanaligen kann auch ein mehrphasiger Sperrwandler ohne Optokoppler im Rückkopplungspfad betrieben werden. Der MAX15159 ist mit der sogenannte No-Opto-Technik ausgestattet. Diese Technik regelt die Ausgangsspannung durch das Auswerten der Spannung über der primärseitigen Wicklung während der Off-Zeit.

Vorteile eines mehrphasigen Sperrwandlers

Ein Vorteil des mehrphasigen Sperrwandlers ist die Tatsache, dass die leitungsgebundenen Störungen reduziert werden. Ein Sperrwandler verhält sich eingangsseitig wie ein getakteter Abwärtswandler, also wie ein Regler nach der Buck-Topologie: Es treten gepulste Eingangsströme auf. Um Störungen auf der Eingangsseite zu minimieren, werden die einzelnen Kanäle im mehrphasigen Sperrwandler phasenversetzt, also zu unterschiedlichen Zeiten, aktiviert.

Bild 3: Eingangsseitiger Stromfluss in einem mehrphasigen Sperrwandler.(Bild:  ADI)
Bild 3: Eingangsseitiger Stromfluss in einem mehrphasigen Sperrwandler.
(Bild: ADI)

Dadurch wird nicht nur das EMV-Verhalten verbessert, sondern auch die Größe und Anzahl der eingangsseitigen Kondensatoren verringert. Bild 3 zeigt die eingangsseitigen Ströme eines zweikanaligen Sperrwandlers.

Ein interessanter Nebeneffekt bei der Nutzung von mehrphasigen Sperrwandlern ist, dass bei vielen Anwendungen einfache, günstige und kleine Transformatoren anstelle von einem großen Transformator eingesetzt werden können.

Wir fassen zusammen: Um eine galvanisch getrennte Spannungsversorgung zu entwickeln, gibt es nicht nur die üblichen Lösungen mit einem Sperrwandler (Flyback) bei geringen Leistungen unter 60 W und einem Flusswandler bei Leistungen über 60 W. Es besteht auch die Möglichkeit, einen mehrphasigen Sperrwandler bei Leistungen oberhalb von 60 W zu betreiben. Lösungen gibt es mit der No-Opto Technik (wie beim MAX15159), sodass kein Optokoppler benötigt wird und durch die phasenversetzte Ansteuerung die erzeugten, leitungsgebundenen Störungen minimiert werden. (kr)

* Frederik Dostal ist Field Application Engineer für Power Management bei Analog Devices in München.

(ID:50013902)

Jetzt Newsletter abonnieren

Verpassen Sie nicht unsere besten Inhalte

Mit Klick auf „Newsletter abonnieren“ erkläre ich mich mit der Verarbeitung und Nutzung meiner Daten gemäß Einwilligungserklärung (bitte aufklappen für Details) einverstanden und akzeptiere die Nutzungsbedingungen. Weitere Informationen finde ich in unserer Datenschutzerklärung. Die Einwilligungserklärung bezieht sich u. a. auf die Zusendung von redaktionellen Newslettern per E-Mail und auf den Datenabgleich zu Marketingzwecken mit ausgewählten Werbepartnern (z. B. LinkedIn, Google, Meta).

Aufklappen für Details zu Ihrer Einwilligung