Ein neuer industrieller Breitband-Feldbus verspricht weniger Kabel, geringere Kosten und mehr Flexibilität: Autbus überträgt bis zu 100 Mbit/s über nur zwei Drähte und vernetzt bis zu 254 Teilnehmer, auch mit unterschiedlichen Protokollen.
Autbus: Der neue Breitband-Feldbus überträgt bis zu 100 Mbit/s über nur zwei Drähte und vernetzt dabei bis zu 254 Teilnehmer in Industrie-, Energie- und Mobilitätsanwendungen.
(Bild: Stable Diffusion / KI-generiert)
Feldbustechnik hatte schon immer das Ziel, den Installations- und Wartungsaufwand industrieller Maschinen und Anlagen zu reduzieren. Dieses Ziel ist über die Jahre das gleiche geblieben, schließlich dient jedwede Automatisierung und Digitalisierung dazu, Abläufe zu optimieren und Kosten zu reduzieren. Die heute üblichen Feldbussysteme unterscheiden sich meist in Topologie, Kabellängen, übertragbaren Datenmengen und Geschwindigkeiten. Dabei gibt es durchaus Verbesserungspotential, wie der neue industrielle Breitband-Feldbus Autbus beweist. Er wurde als neueste IEC-Norm, IEC 61158 Typ 28 veröffentlicht und dürfte für viele Anwendungen neue Möglichkeiten erschließen, nicht nur in der industriellen Fabrik- und Prozessautomation, sondern auch zum Beispiel bei Ladeparks der E-Mobilität, Windkraft- oder Photovoltaikanlagen, Bus-, Bahn- oder Automotivanwendungen, sowie in der Gebäudeautomation.
Mit dem Autbus wurde ein neuer Feldbus auf den Markt gebracht, der aufgrund seiner Eigenschaften für viele Applikationen und deren sich verändernden Anforderungen neue Möglichkeiten erschließt. Seine Breitbandbustechnologie basiert auf dem orthogonalen Frequenzmultiplexverfahren (OFDM). Bis zu 254 Multi-Drop-Datennetzknoten (Teilnehmer) können mittels einer Zweidrahtleitung über eine Distanz von bis zu 500 Metern bei einer Übertragungsgeschwindigkeit von 100 Mbit/s gleichzeitig erreicht werden. Dabei sind sowohl eine Bus- als auch Ring-Topologie möglich; für letztere werden die Leitungsenden einfach miteinander verbunden. Der verwendete Zweidrahtleitungstyp bestimmt dabei die maximale Länge des Kabels und die Anzahl der Knoten, die in das Datennetz eingebunden werden können. Bei Zweidrahtleitungen des Typs AWG 22 oder AWG 26, beispielsweise wie für SPE-Single Pair Ethernet spezifiziert, ist bis 140 m die volle Multi-Drop-Datennetzknotenzahl möglich, bei AWG16 Zweidrahtleitungen sogar bis zu 500 m. Die Zykluszeiten betragen 16 µs, bei Zeitverzögerungen im Nanosekundenbereich. Damit eignet sich der Bus auch für Anwendungen mit höchsten Echtzeitanforderungen. Beispiele dafür sind Pressen, Druckmaschinen oder auch Triebwagen in Zügen, bei denen Antriebe präzise synchronisiert werden müssen.
Ein besonderer Clou ist, dass die für den Autbus entwickelten Multi-Drop-Koppler aus der Serie ABN300 die Protokolle anderer Feldbussysteme, wie RS485, CAN-Bus, ModbusTCP, ProfiNet oder Ethernet/IP, einfach tunneln können. Die Protokolle werden hierbei unverändert und zum Teil gleichzeitig von einem Knotenpunkt zu einem anderen Knotenpunkt übertragen, geradeso wie es beispielsweise ein Zug von einer Bahnstation zu weiteren Bahnstationen mit zu transportierenden Gütern macht. Das vereinfacht das Datennetzwerk in Anlagen und Gebäuden mit heterogenen Kommunikationsprotokollen, weil es keine Konvertierungen braucht. Ein wichtiger Faktor für den Erfolg von Autbus ist zudem der deutlich geringere Installations- und Kostenaufwand, wie das folgende Beispiel zeigt.
Geringer Verkabelungsaufwand in Ladeparks
Bild 1: In einem Ladepark wird aktuell eine typische Ethernet-Netzwerktypologie eingesetzt. Die Ladestationen sind jeweils über Stern-Leitungen mit dem Switch verbunden.
(Bild: KLG Smartec)
Aktuell wird in E-Ladestationsparks überwiegend ein Ethernet-Netzwerk eingesetzt (Bild 1). Wie die sternförmige Stromverteilung zu den Ladestationen ist auch das Ethernet-Netzwerk meist sternförmig über einen Ethernet-Switch mit den Ladestationen verbunden. Bei beispielsweise 25 Ladestationen und einer angenommenen Parkplatzbreite von 2,5 Metern kommen dabei viele Datenleitungsmeter zusammen, schließlich ist die längste Datenleitung bis zur Ladestation Nummer 25 dann ca. 65 m lang. Durch die sternförmige Topologie summiert sich das auf etwa 875 Meter Datenleitung. Installateure veranschlagen üblicherweise 5 Euro pro Meter installiertem Cat-6 Ethernet Datenkabel. Neben den hohen Installationskosten ist ein weiterer Nachteil dieser Netzwerkstruktur, dass der Ethernet-Switch zum Single-Point-of-Failure wird, was auch alle nachgelagerten Segmente betrifft.
Bild 2: Mit Autbus fällt der Installationsaufwand deutlich geringer aus, vor allem bei einer Erweiterung.
(Bild: KLG Smartec)
Hier erschließt Autbus ein beachtliches Einsparpotenzial (Bild 2): Die einzelnen Teilnehmer werden in Linie oder als Ring verbunden. Dabei lassen sich Teilnehmer mit anderen Protokollen einfach am Autbus mit einem Multi-Drop-Koppler aus der Serie ABN300 (Bild 3) anschließen, im einfachsten Fall per Terminalanschuss oder per T-Steckverbinder. Selbst wenn ein Gerät entfernt bzw. getauscht wird, wird die Leitung nicht unterbrochen. Durch die Verwendung einer einzigen 2-Draht-Datenleitung reduziert sich der Installationsaufwand und gleichzeitig auch der benötige Platzbedarf. Es genügt somit eine Leitung, die sich einfach pro Teilnehmer jeweils nur um den Abstand zur nächsten Ladestationen verlängern lässt oder eventuell schon parallel zu einer Stromschiene vorverlegt ist. Wählt man eine Ringtopologie, indem wie oben schon beschrieben einfach die beiden Enden der Datenleitung miteinander verbunden werden, ist durch die Autbus-Technologie kein zusätzlicher Ringmanager erforderlich, wodurch die Ausfallsicherheit der Anlage erheblich steigt. Bei Ethernet ist das nur mit erhöhtem Kostenaufwand möglich, da höherwertige Switche benötigt werden.
Stand: 08.12.2025
Es ist für uns eine Selbstverständlichkeit, dass wir verantwortungsvoll mit Ihren personenbezogenen Daten umgehen. Sofern wir personenbezogene Daten von Ihnen erheben, verarbeiten wir diese unter Beachtung der geltenden Datenschutzvorschriften. Detaillierte Informationen finden Sie in unserer Datenschutzerklärung.
Einwilligung in die Verwendung von Daten zu Werbezwecken
Ich bin damit einverstanden, dass die Vogel Communications Group GmbH & Co. KG, Max-Planckstr. 7-9, 97082 Würzburg einschließlich aller mit ihr im Sinne der §§ 15 ff. AktG verbundenen Unternehmen (im weiteren: Vogel Communications Group) meine E-Mail-Adresse für die Zusendung von redaktionellen Newslettern nutzt. Auflistungen der jeweils zugehörigen Unternehmen können hier abgerufen werden.
Der Newsletterinhalt erstreckt sich dabei auf Produkte und Dienstleistungen aller zuvor genannten Unternehmen, darunter beispielsweise Fachzeitschriften und Fachbücher, Veranstaltungen und Messen sowie veranstaltungsbezogene Produkte und Dienstleistungen, Print- und Digital-Mediaangebote und Services wie weitere (redaktionelle) Newsletter, Gewinnspiele, Lead-Kampagnen, Marktforschung im Online- und Offline-Bereich, fachspezifische Webportale und E-Learning-Angebote. Wenn auch meine persönliche Telefonnummer erhoben wurde, darf diese für die Unterbreitung von Angeboten der vorgenannten Produkte und Dienstleistungen der vorgenannten Unternehmen und Marktforschung genutzt werden.
Meine Einwilligung umfasst zudem die Verarbeitung meiner E-Mail-Adresse und Telefonnummer für den Datenabgleich zu Marketingzwecken mit ausgewählten Werbepartnern wie z.B. LinkedIN, Google und Meta. Hierfür darf die Vogel Communications Group die genannten Daten gehasht an Werbepartner übermitteln, die diese Daten dann nutzen, um feststellen zu können, ob ich ebenfalls Mitglied auf den besagten Werbepartnerportalen bin. Die Vogel Communications Group nutzt diese Funktion zu Zwecken des Retargeting (Upselling, Crossselling und Kundenbindung), der Generierung von sog. Lookalike Audiences zur Neukundengewinnung und als Ausschlussgrundlage für laufende Werbekampagnen. Weitere Informationen kann ich dem Abschnitt „Datenabgleich zu Marketingzwecken“ in der Datenschutzerklärung entnehmen.
Falls ich im Internet auf Portalen der Vogel Communications Group einschließlich deren mit ihr im Sinne der §§ 15 ff. AktG verbundenen Unternehmen geschützte Inhalte abrufe, muss ich mich mit weiteren Daten für den Zugang zu diesen Inhalten registrieren. Im Gegenzug für diesen gebührenlosen Zugang zu redaktionellen Inhalten dürfen meine Daten im Sinne dieser Einwilligung für die hier genannten Zwecke verwendet werden. Dies gilt nicht für den Datenabgleich zu Marketingzwecken.
Recht auf Widerruf
Mir ist bewusst, dass ich diese Einwilligung jederzeit für die Zukunft widerrufen kann. Durch meinen Widerruf wird die Rechtmäßigkeit der aufgrund meiner Einwilligung bis zum Widerruf erfolgten Verarbeitung nicht berührt. Um meinen Widerruf zu erklären, kann ich als eine Möglichkeit das unter https://contact.vogel.de abrufbare Kontaktformular nutzen. Sofern ich einzelne von mir abonnierte Newsletter nicht mehr erhalten möchte, kann ich darüber hinaus auch den am Ende eines Newsletters eingebundenen Abmeldelink anklicken. Weitere Informationen zu meinem Widerrufsrecht und dessen Ausübung sowie zu den Folgen meines Widerrufs finde ich in der Datenschutzerklärung, Abschnitt Redaktionelle Newsletter.
Bild 3: Multi-Drop-Koppler aus der Serie ABN300. Sie werden einfach an den Autbus angeschlossen und unterstützen eine Vielzahl zusätzlicher Schnittstellen, wie Ethernet, CAN und RS485.
(Bild: KLG Smartec)
Je größer die Anlage ist, desto deutlicher fallen durch die Verwendung des Autbus die Einsparungen aus; bereits ab 10 Ladestationen ergeben sich Kostenvorteile mit einer Autbus-Lösung. Soll der E-Ladepark erweitert werden, wird bei einer Ethernet-Lösung pro 15 Ladestationen ein 16-Port-Ethernet-Switch benötigt, sowie die Verkabelung von Switch zu Switch und zu allen weiteren Ladestationen. Der Autbus dagegen lässt sich auf bis zu 500 Meter und 254 Teilnehmern mit einfachem Aufwand und zu geringen Kosten für die Fortführung der vorhanden Datenleitung und den Anschluss an die Autbus-Geräteschnittstelle oder unter Beibehaltung der vorhandenen Geräteschnittstelle mit dem ABN300 Multidrop-Koppler, erweitern.
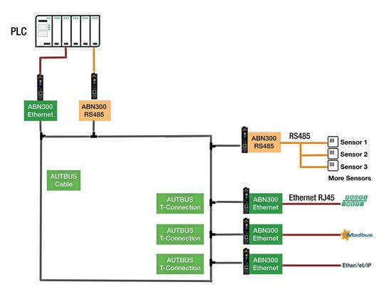
Vom Solar-Panel-Park bis zur Bahnanwendung
Bild 4: Mit Autbus werden unterschiedliche Protokolle wie Modbus-RTU, CAN-Bus, Modbus-TCP, PROFINET oder EtherNet/IP über eine einheitliche Multidrop-Infrastruktur übertragen.
(Bild: KLG Smartec)
Weitere Szenarien, bei denen der Autbus seine Vorteile ausspielt, sind Solar-Parks. Hier findet man verschiedene Protokolle, beispielsweise Sensoren mit RS485-Schnittstelle, Frequenzumrichter und weitere zu vernetzende Geräte, die über Modbus-RTU, CAN-Bus, Modbus-TCP, PROFINET oder EtherNet/IP kommunizieren. In solchen Anwendungen hilft der Autbus Multi-Drop-Koppler der ABN300-Serie die Kommunikation zu vereinheitlichen, ohne dass Protokollkonverter erforderlich sind. Sie werden einfach zwischen dem Autbus und Schnittstellen, wie Ethernet, CAN und RS485 eingebunden.
Bild 5a: Bei Bedarf lässt sich der Autbus einfach erweitern, indem man z.B. zwei Bussegmente über ein Ethernet-Kabel miteinander verbindet oder sogar mehrere Segmente über einen Ethernet Switch.
(Bild: KLG Smartec)
Dabei werden die unterschiedlichen Protokolle über eine einheitliche Autbus Multidrop-Infrastruktur übertragen (Bild 4). Geräte mit integriertem Autbus-Chip können unter Verwendung des Autbus-Protokolls natürlich direkt, ohne Multi-Drop-Koppler, an das Autbus Netzwerk angeschlossen werden. Bei Bedarf lässt sich der Autbus auch einfach über 500 m hinaus erweitern, indem man zwei Autbus Segmente über Multi-Drop Koppler und ein Ethernet-Kabel miteinander verbindet (Bild 5).
Bild 5b: Bei Bedarf lässt sich der Autbus einfach erweitern, indem man z.B. zwei Bussegmente über ein Ethernet-Kabel miteinander verbindet oder sogar mehrere Segmente über einen Ethernet Switch.
(Bild: KLG Smartec)
Autbus kann auch für Bahnanwendungen beispielsweise eine praktikable Lösung sein. Die zunehmende Anzahl IP basierter Geräte in den einzelnen Wagons kommunizieren dann jeweils über Autbus. Durch die Busverbindung werden Leitungen, deren Installationsaufwand und -kosten reduziert. Auch wagonübergreifend kann Autbus beispielsweise Punkt zu Punkt verbunden werden. Zum geringen Installationsaufwand kommt hier als entscheidender Faktor noch die Gewichteinsparung, was Energie und Gebühren für die Schienennutzung spart. Auch zahlreiche weitere Anwendungen können von diesen Möglichkeiten profitieren, in der Gebäudeautomation ebenso wie in Kraftfahrzeugen sowie bei Verkehrsleitsystemen. Bestehende Parkflächen können beispielsweise mit einer Autbus Multi-Drop-Lösung modernisiert werden, sodass Geräte wie Videokameras, Parksensoren und Parkreservierungssysteme einfach in ein Parkleitsystem angebunden werden können. Der Fantasie des Anwenders sind dabei kaum Grenzen gesetzt. (mc)
*Frank Gudat ist Leiter Autbus Business Development bei KLG Smarttec
**Alex Homburg leitet das Redaktionsbüro Stutensee