Analogtipp 15-W-Präzisionsverstärker mit thermischer Abschaltfunktion
Der in diesem Tipp vorgestellte Präzisionsverstärker kann einen Strom von 1 A aufnehmen oder abgeben und eignet sich gut für High-Power Anwendungen wie Stereoanlagen, selbstversorgende Lautsprecher und Heimkinosysteme.
Anbieter zum Thema

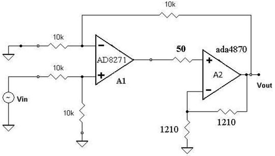
Viele Anwendungen verlangen eine hohe Präzision sowie hohe Ausgangsströme. Eine einfache Möglichkeit beide Anforderungen zu vereinen, bietet die Kombination eines Präzisions- und eines Leistungsverstärkers.
Platziert man den Leistungsverstärker ADA4870 in die Rückkopplungsschleife des differenziellen Präzisionsverstärkers AD8271, kann die Schaltung den hohen Ausgangsstrom des ADA4870 liefern und die DC-Genauigkeit des AD8271 beibehalten. Der Ausgangspuffer kann leicht 1 A aufnehmen oder abgeben.
Der hochpräzise, verzerrungsarme Vorverstärker mit abgeglichenen On-Chip-Widerständen bietet gegenüber diskreten Schaltungen eine geringere Verstärkungsdrift sowie einen kleineren Verstärkungsfehler und eine höhere Gleichtaktunterdrückung.
Der ADA4870 nimmt einen Strom von etwa 30 mA auf. Eine stromsparende Abschaltfunktion reduziert den Ruhestrom auf ungefähr 750 µA. Sobald man den Shutdown-Anschluss auf Low-Potenzial bringt, schaltet die Schaltung ab.
Verstärker mit hohem Ausgangsstrom erzeugen Wärme, die zu einem Anstieg der Die-Temperatur führt. Um die Langzeitzuverlässigkeit zu erhöhen und die Temperatur auf einem Level zu halten, bei dem die thermische Schutzschaltung unter normalen Umständen nicht aktiviert wird, ist normalerweise ein Kühlkörper erforderlich.
Zusätzlich zu einem Kurzschlussschutz beinhaltet der ADA4870 einen Schutz vor übermäßig hohen Die-Temperaturen. Bei einer zu hohen Die-Temperatur schaltet der Verstärker in den Off-Zustand und der Versorgungsstrom sinkt auf etwa 5 mA. Sobald die Die-Temperatur wieder einen akzeptablen Wert erreicht, setzt der Verstärker automatisch seinen normalen Betrieb fort.
Diese thermische Schutzbetriebsart ist nützlich, um eine lang anhaltende thermische Belastung der Schaltung zu verhindern. Ein Bauteil kann sich auf eine relativ hohe Temperatur erwärmen, wenn die Fehlersituation nur temporär ist. Dies reduziert die Belastung durch Temperaturwechselbeanspruchung enorm, was wiederum die Zuverlässigkeit bei dauerhaften Fehlersituationen erhöht.
* Chau Tran arbeitet in der Integrated Amplifier Products Group von Analog Devices in Wilmington, USA.
(ID:43519551)