Anbieter zum Thema

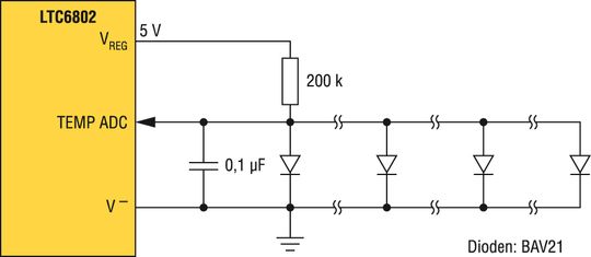
In Bild 1a ist ein genauer Thermistor-basierter Sensor zum Überwachen des Ladezustands zu sehen und Bild 2a zeigt einen sehr einfachen „Hotspot“-Detektor auf der Grundlage von Dioden.
Genauer Thermistor-basierter Sensor für Akkupakete
Bei tiefen Temperaturen steigt der Widerstand einer Lithium-Ionen-Akkuzelle und sie weist eine geringere Ladespannung auf im Bereich zwischen voll geladen (in der Regel 4,2 V für Uzelle) und vollständig leer (Uzelle = 2,5 V). Bei höheren Betriebsstemperaturen steigt die Selbstentladung der Akkuzellen. Der Selbstentladestrom des Akkus wird so zu einem bedeutenden Faktor beim Berechnen des Ladezustands.
In einem herkömmlichen System ist die Leistung der Akkuzellen vollständig über die Temperatur charakterisiert. Diese Information ist in einer Wertetabelle gespeichert. Aus den Werten der Spannungsmessungen und der Temperatur der Akkuzellen werden Informationen über die Zellencharakteristik aus der Tabelle für die Ladezustandsberechnung gewonnen.
Das Anschließen eines Thermistors an das Akkupaket ist eine preiswerte, aber ausreichend genaue Methode zur Temperaturüberwachung. In Bild 1a ist ein Thermistor mit negativem Temperaturkoeffizienten (NTC) parallel zu einem Festwiderstand geschaltet, um die temperaturabhängige Widerstandsänderung etwas zu glätten. Thermistoren verhalten sich nicht linear. Der Widerstand ändert sich exponenziell mit steigender Temperatur entsprechend Gleichung 1.
??R?T? = ?R?0? ?e??-B_?T?0??? • ?e??B_T??? (Gl. 1)
abei ist R0 der Nennwiderstand bei der Referenztemperatur T0 (in K) und B eine Thermistorkonstante. Vereinfachend nimmt man oft an, dass sich der Widerstand um –4% pro °C ändert. Der LTC6001, ein Zweifach-Operationsverstärker, liefert die Vorspannung für den Thermistor, skaliert und passt den Spannungspegel am Temp-Eingang des LTC6802 für den A/D-Wandler an. Die Referenzspannung (3,072 V) und Regelspannung (5 V) sind im Baustein LTC6802 enthalten.
(ID:289656)