Rauschempfindliche Applikationen Rauschmaß-Analyse am Beispiel eines differenziellen Verstärkers
Viele Faktoren tragen dazu bei, ob in rauschempfindlichen Applikationen ein rein differenzieller Verstärker in Current-Feedback- oder in Voltage-Feedback-Technik die bessere Wahl ist. Letztendlich ist zu prüfen, welche der beiden Verstärkerarchitekturen sich im Kontext der jeweiligen System-Spezifikationen besser bewährt. Current-Feedback-Verstärker sind dort eine elegante Lösung, wo in rauscharmen, breitbandigen Applikationen eine Verstärkung größer als eins gefordert ist.
Anbieter zum Thema
Rein differenzielle Verstärker (Fully Differential Feedback Amplifier – FDA) wie zum Beispiel die High-Speed-Operationsverstärker-Bausteine LMH6550, LMH6551 und LMH6552 von National Semiconductor werden in symmetrischen, verzerrungsarmen, breitbandigen Applikationen sowie zur Pegelumsetzung angewendet.

Bild 1 gibt das Konzept eines solchen FDAs in vereinfachter Form wieder. Zwei Vorwärts-Pfade verstärken die beiden komplementären Hälften des differenziellen Signals. Eine vom Common-Mode-Eingang VCM gesteuerte, separate Gleichtakt-Feedback-Schaltung legt unabhängig vom Gleichtaktanteil des Eingangssignals die Gleichtaktspannung am Ausgang fest und erzwingt, dass an den Ausgängen ON und OP zwei gegenphasige Signale von gleichem Betrag liegen.
Eins-Verstärkung ohne Bandbreiteneinbußen
Der Verstärker LMH6552 ist ein 1,5-GHz-FDA auf Basis einer proprietären Current-Feedback-Architektur (CFB). Damit ist der Betrieb mit Verstärkungen größer als eins bei einem flachen Verstärkungsverlauf und ohne Bandbreiteneinbußen möglich. Durch seinen bis 450 MHz auf 0,1 dB flachen Verstärkungsverlauf bei Eins-Verstärkung eignet sich der Baustein in zahlreichen breitbandigen Nyquist-Applikationen zum Ansteuern einer breiten Palette schneller A/D-Wandler mit Auflösungen von 8 bis 14 Bit.
Wenn ein FDA zum Ansteuern eines A/D-Wandlers verwendet werden soll, ist darauf zu achten, dass er die SINAD-Eigenschaften (Signal to Noise and Distortion), also die Summe aus Signal-Rauschabstand und Verzerrungen des ADCs, nicht beeinträchtigt. Dazu muss man das Rauschverhaltens des FDA bestimmen und optimieren. Deshalb ist es wichtig zu wissen, wie die spektrale Rauschdichte am Ausgang und das Rauschmaß des FDA berechnet werden, damit diese Werte in die Rauschanalyse für das Gesamtsystem eingehen können.
Früher konnten FDAs in Voltage-Feedback-Technik (VFB) wegen ihrer mäßigen Rauscheigenschaften bei hoher Verstärkung nur mit niedrigen Verstärkungsfaktoren betrieben werden. Nachfolgend wird gezeigt, dass sich diese Einschränkung mit Hilfe der CFB-Architektur des LMH6552 überwinden lässt, sodass in Bezug auf das Rauschen und die Bandbreite ein Vorteil gegenüber alternativen Bausteinen auf Basis der VFB-Technik erzielt wird.
Ausgangs-Rauschen von FDAs berechnen

Das Rauschmodell eines universellen FDAs ist in Bild 2 dargestellt. Bei INP und INM handelt es sich um die auf den Eingang bezogenen Rauschströme für den positiven und den negativen Eingang des FDA. Dagegen ist VN die auf den Eingang bezogene Rauschspannung. Im Modell sind Rauschquellen im Zusammenhang mit den resistiven Elementen im Rückkopplungs-Netzwerk und im Abschluss-Netzwerk für die Signalquelle berücksichtigt.
Die gesamte auf den Ausgang bezogene Rauschdichte VNO (in nV/vHz) erhält man, indem man den geometrischen Mittelwert der auf den Ausgang bezogenen Rauschwerte aller Rauschquellen im System-Modell bildet. Interessant ist hier hauptsächlich, welchen Einfluss das interne Rauschen des FDAs auf das Rauschverhalten des Gesamtsystems hat. Deshalb wird die Gleichung 1 für VNO in zwei Terme zerlegt. Während der erste Term durch das auf den Eingang bezogene Rauschen des FDAs (VNOFDA) bestimmt wird, resultiert der zweite aus dem thermischen Rauschen des Rückkoppelnetzwerks (VNOFB).

(Gl. 1)
In den meisten Anwendungen mit differenzieller Signalübetragung sind die Gleichtaktunterdrückung (CMRR) und der Symmetriefehler die wichtigsten Größen. Die Symmetrie des Rückkoppelnetzwerks wird erreicht, indem man RF1 = RF2 = RF und RG1 = RG2 = RG wählt. Die positiven und negativen Rückkoppelfaktoren werden damit aufeinander abgestimmt und sind symmetrisch. Ersetzt man RS und RT durch den jeweiligen Ersatzspannungsquellen-Widerstand RSTH = RS||RT, ergeben sich folgende Ausgangsrauschdichten für den FDA und das Rückkoppelnetzwerk (Gleichungen 2 und 3):

(Gl. 2)

(Gl. 3)

mit
Einfluss der FDA-Architektur auf die Rauschdichte
Der Einfluss des Rauschens der externen Widerstände wird von der Topologie der differenziellen Rückkopplung bestimmt (Gleichung 3). Es spielt dabei keine Rolle, ob ein FDA in VFB- oder CFB-Technik zum Einsatz kommt. Die Auswirkungen des FDA auf die insgesamt verzeichnete Ausgangs-Rauschdichte (Gleichung 2), lassen sich dagegen durch die gewählte FDA-Architektur maßgeblich beeinflussen.
In einem VFB-FDA ist die differenzielle Eingangsimpedanz sehr hoch (meist im Bereich von einigen hundert k? bis zu mehreren M?), und Rauschquellen innerhalb des FDA äußern sich am Eingang tendenziell als Spannungen.
Die auf den Eingang bezogenen Rauschströme werden folglich recht gering sein. Sie liegen meist nur in der Größenordnung von wenigen pA/vHz und tragen somit nur dann entscheidend zum Gesamtrauschen am Ausgang bei, wenn RF groß ist. Dies aber ist meist nicht der Fall. Zu beachten ist, dass es sich bei dem Verstärkungs-Term für VN in Gleichung 2 schlicht um den Kehrwert des äquivalenten Rückkoppelfaktors ßEQ handelt, der gemäß Gleichung 4 mit der geschlossenen Schleifenverstärkung G des Differenzverstärkers zusammenhängt.

(Gl. 4)
Vernachlässigt man INP und INM, lässt sich Gleichung 1 wie folgt umformulieren:

(Gl. 5) (Gl. 5)
nders ausgedrückt, verursacht der Betrieb eines VFB-FDA mit hoher Verstärkung eine proportionale Zunahme der Ausgangsrauschdichte. Dies wiederum kann eine Verschlechterung des gesamten Rauschverhaltens bewirken, wenn der FDA eine signifikante Rauschquelle im System darstellt. ?
Current-Feedback-Architektur
Ein völlig anderes Ergebnis stellt sich ein, wenn ein CFB-FDA wie der LMH6552 gewählt wird. Die differenzielle Eingangsstufe ist hier im Prinzip eine stromgesteuerte Stromquelle mit einer im Idealfall Null betragenden differenziellen Eingangsimpedanz. Rauschquellen innerhalb des Verstärkers äußern sich deshalb am Eingang tendenziell als Ströme und nicht als Spannungen, und das Gesamt-Ausgangsrauschen des FDAs wird dominiert von der Summe aus den eingangsseitigen Rauschströmen INP und INM, multipliziert mit dem Quadrat des Rückkoppelwiderstands (Gleichung 6)

(Gl. 6)
Im Unterschied zu einem FDA in VFB-Technik hängt das Ausgangsrauschen eines CFB-FDAs nicht vom Verstärkungsfaktor des Verstärkers, sondern von RF ab. Ein Anheben der Verstärkung durch Verringern von RG führt deshalb zu keiner nennenswerten Beeinträchtigung des Rauschverhaltens der Schaltung. Diese Aussage beschreibt einen der entscheidendsten Vorteile, die der Ersatz eines VFB-DFA durch einen CFB-FDA in Anwendungen mit differenzieller Signalisierung hat.
Rauschmaß für rein differenzielle Verstärker berechnen
In vielen schnellen Systemen werden die Rauscheigenschaften häufig durch das System-Rauschmaß quantifiziert. Es handelt sich bei dieser Größe um den mit 10 multiplizierten Logarithmus des Verhältnisses zwischen dem eingangsseitigen und dem ausgangsseitigen Signal-Rauschabstand. Das Rauschmaß liefert somit eine quantitative Aussage darüber, wieviel Rauschen einem Signal auf seinem Weg durch die verschiedenen Verarbeitungsstufen hinzugefügt wird. Im Falle von Verstärkern lässt sich das Rauschmaß gemäß Gleichung 7 einfach als das Verhältnis zwischen der Rauschdichte am Ausgang und der quellseitigen Rauschdichte (jeweils in nV/vHz) ausdrücken.

(Gl. 7)

mit
Das Produkt GDT ist die Spannungsverstärkung des Verstärkers von VS bis VO einschließlich der Signalabschwächung durch das eingangsseitige Abschluss-Netzwerk.
Unterschiede im Rauschverhalten beider Architekturen

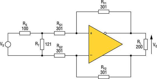
Um das unterschiedliche Rauschverhalten von CFB- und VFB-FDAs herauszustellen, wird mit der Anwendungsschaltung in Bild 3 die spektrale Rauschdichte am Ausgang und das Rauschmaß für verschiedene Verstärkungsfaktoren für zwei verschiedene FDAs in einem 100-?-System berechnet – einmal für den CFB-Baustein LMH6552 und einmal für den LMH6550 in VFB-Technik.

Die Ergebnisse sind in Bild 4 grafisch dargestellt. Bei niedriger Verstärkung zeigen beide Bausteine ein ähnliches Rauschverhalten, wobei der LMH6552 bei einer Verstärkung von –6 dB ein um ca. 2 dB besseres Rauschmaß offeriert. Allerdings ist der CFB-FDA hinsichtlich seines Rauschmaßes mit zunehmender Verstärkung immer deutlicher im Vorteil, bei einer Verstärkung von 9,5 dB beträgt das Rauschmaß bereits 6,5 dB.
Welche Verstärkerarchitektur letztendlich gewählt werden sollte, hängt stark von der Anwendung und der Erfahrung des Entwicklers ab.
*Robert Malone arbeitet Staff Design Engineer und Mike Ewer Principal Application Engineer bei National Semiconductor in Santa Clara, USA.
(ID:259261)