Heute wird alles in der Cloud gespeichert, aber wo genau befindet sich die Cloud? Die Antwort liegt in einem Rechenzentrum – und unser nie endender Bedarf an mehr Bildern, mehr Videos und mehr von allem anderen bedeutet, dass der Markt für Rechenzentren boomt.
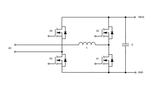
Bild 2: Totem-Pole-Leistungsfaktorkorrekturstufe.
(Bild: ON Semiconductor)
Laut der Internationalen Energieagentur (IEA) führt das enorme Wachstum im Bereich der künstlichen Intelligenz (KI) zu einem massiv steigenden Strombedarf in Rechenzentren, der sich zwischen 2022 und 2025 mehr als verdoppeln soll. Neben höheren Kosten belastet dies die alternde Stromversorgungsinfrastruktur, die bereits jetzt an ihre Leistungsgrenzen stößt und neue Investitionen erfordert. Der steigende Stromverbrauch der Rechenzentren erhöht zudem die Nachfrage nach Leistungshalbleitern, die elektrische Energie effizient umwandeln, Kosten senken und Treibhausgasemissionen auf dem Weg zu Netto-Null reduzieren. Es gibt auch anhaltende Forderungen nach Stromversorgungssystemen mit niedrigeren Gesamtsystemkosten und einer kompakteren Größe. Die Kühlung ist ein weiteres Problem für Rechenzentren und macht heute mehr als 40 % des Stromverbrauchs vor Ort aus. Geht es um die Effizienz von Stromversorgungen, wird die verschwendete Energie einfach als Wärme abgeführt – von den Klimaanlagen des Rechenzentrums. Eine effizientere Leistungswandlung bedeutet also weniger Wärme.
Anforderungen an die AC/DC-Wandlung
Was ist nun für die Stromversorgung in Rechenzentren erforderlich und wie reagieren die Halbleiterhersteller darauf? Die Leistungsdichte in Rechenzentren nimmt zu, und die Anbieter von Netzteilen arbeiten daran, höchste Leistung in ein Standard-1U-Rack zu packen (Bild 1). Die durchschnittliche Leistungsabgabe pro Rack betrug vor etwa einem Jahrzehnt noch etwa 4 bis 5 kW. Die heutigen Hyperscale-Cloud-Unternehmen (Amazon, Microsoft oder Facebook) benötigen in der Regel eher 20 oder 30 kW pro Rack. Einige Spezialsysteme gehen sogar noch weiter und erfordern 100 kW pro Rack oder mehr. Diese hohen Leistungsdichten erfordern kompakte Netzteile, die in einen kleinen Formfaktor passen. Sie müssen auch einen hohen Wirkungsgrad aufweisen, da weniger Platz zur Ableitung der durch Leistungsverluste erzeugten Wärme zur Verfügung steht. Die Herausforderung ist jedoch nicht nur, die Gesamteffizienz zu verbessern – Netzteile müssen auch die spezifischen Anforderungen für Rechenzentren erfüllen. So sollten alle Netzteile für KI-Rechenzentren die strenge Open-Rack-V3-/ORV3-Basisspezifikation erfüllen.
Bild 1: Stromversorgung eines Rechenzentrums vom Netz bis zur GPU.
(Bild: ON Semiconductor)
Vor kurzem haben Anbieter von Server-Racks ein neues AC/DC-Netzteil auf den Markt gebracht, das mit einem Nenneingangsbereich von 200 bis 277 VAC und einer Ausgangsspannung von 50 VDC arbeitet. Es erfüllt den ORV3-Standard, der einen Spitzenwirkungsgrad von über 97,5 % bei einer Last von 30 bis 100 % und einen Mindestwirkungsgrad von 94 % bei einer Last von 10 bis 30 % vorschreibt.
Topologien für Server-Rack-Netzteile
Als wichtiger Teil der AC/DC-Wandlung in Netzteilen ist ein hoher Wirkungsgrad der Leistungsfaktorkorrekturstufe (PFC) unerlässlich. Diese formt den Eingangsstrom, um das Verhältnis von Nutz- zu Gesamteingangsleistung zu maximieren. Zudem ist das PFC-Design entscheidend, um Vorgaben zur elektromagnetischen Verträglichkeit (EMV) gemäß IEC 61000-3-2 sowie Energieeffizienzstandards wie Energy Star einzuhalten.
Der beste Ansatz für die PFC-Stufe in vielen Anwendungen, insbesondere in Rechenzentren, ist die Totem-Pole-PFC-Topologie. Diese wird für den PFC-Block in der Stromversorgung für 3- bis 8kW-Systeme in Rechenzentren verwendet (Bild 2). Die Topologie basiert auf MOSFETs und verbessert die Effizienz und Leistungsdichte von AC-Versorgungen, indem sie den sperrigen und verlustbehafteten Brückengleichrichter entfernen. Um jedoch einen Wirkungsgrad von 97,5 % oder besser zu erreichen, wie er von den Herstellern der Hyperscale-Rechenzentren vorgeschrieben wird, benötigt eine Totem-Pole-PFC MOSFETs, die ein Halbleitermaterial mit großem Bandabstand (WBG; Wide Band-Gap) wie Siliziumkarbid (SiC) verwenden.
Bild 2: Totem-Pole-Leistungsfaktorkorrekturstufe.
(Bild: ON Semiconductor)
Heute werden in allen PFC-Stufen SiC-MOSFETs für den schnell schaltenden Zweig verwendet, während siliziumbasierte Sperrschicht-MOSFETs für den Phasen- oder langsamen Zweig verwendet werden. SiC-MOSFETs weisen im Vergleich zu Si-MOSFETs eine bessere Leistungsfähigkeit und einen höheren Wirkungsgrad auf. Sie bieten außerdem eine überlegene Leistung bei hohen Temperaturen, sind robuster und können mit höheren Schaltfrequenzen betrieben werden.
Stand: 08.12.2025
Es ist für uns eine Selbstverständlichkeit, dass wir verantwortungsvoll mit Ihren personenbezogenen Daten umgehen. Sofern wir personenbezogene Daten von Ihnen erheben, verarbeiten wir diese unter Beachtung der geltenden Datenschutzvorschriften. Detaillierte Informationen finden Sie in unserer Datenschutzerklärung.
Einwilligung in die Verwendung von Daten zu Werbezwecken
Ich bin damit einverstanden, dass die Vogel Communications Group GmbH & Co. KG, Max-Planckstr. 7-9, 97082 Würzburg einschließlich aller mit ihr im Sinne der §§ 15 ff. AktG verbundenen Unternehmen (im weiteren: Vogel Communications Group) meine E-Mail-Adresse für die Zusendung von redaktionellen Newslettern nutzt. Auflistungen der jeweils zugehörigen Unternehmen können hier abgerufen werden.
Der Newsletterinhalt erstreckt sich dabei auf Produkte und Dienstleistungen aller zuvor genannten Unternehmen, darunter beispielsweise Fachzeitschriften und Fachbücher, Veranstaltungen und Messen sowie veranstaltungsbezogene Produkte und Dienstleistungen, Print- und Digital-Mediaangebote und Services wie weitere (redaktionelle) Newsletter, Gewinnspiele, Lead-Kampagnen, Marktforschung im Online- und Offline-Bereich, fachspezifische Webportale und E-Learning-Angebote. Wenn auch meine persönliche Telefonnummer erhoben wurde, darf diese für die Unterbreitung von Angeboten der vorgenannten Produkte und Dienstleistungen der vorgenannten Unternehmen und Marktforschung genutzt werden.
Meine Einwilligung umfasst zudem die Verarbeitung meiner E-Mail-Adresse und Telefonnummer für den Datenabgleich zu Marketingzwecken mit ausgewählten Werbepartnern wie z.B. LinkedIN, Google und Meta. Hierfür darf die Vogel Communications Group die genannten Daten gehasht an Werbepartner übermitteln, die diese Daten dann nutzen, um feststellen zu können, ob ich ebenfalls Mitglied auf den besagten Werbepartnerportalen bin. Die Vogel Communications Group nutzt diese Funktion zu Zwecken des Retargeting (Upselling, Crossselling und Kundenbindung), der Generierung von sog. Lookalike Audiences zur Neukundengewinnung und als Ausschlussgrundlage für laufende Werbekampagnen. Weitere Informationen kann ich dem Abschnitt „Datenabgleich zu Marketingzwecken“ in der Datenschutzerklärung entnehmen.
Falls ich im Internet auf Portalen der Vogel Communications Group einschließlich deren mit ihr im Sinne der §§ 15 ff. AktG verbundenen Unternehmen geschützte Inhalte abrufe, muss ich mich mit weiteren Daten für den Zugang zu diesen Inhalten registrieren. Im Gegenzug für diesen gebührenlosen Zugang zu redaktionellen Inhalten dürfen meine Daten im Sinne dieser Einwilligung für die hier genannten Zwecke verwendet werden. Dies gilt nicht für den Datenabgleich zu Marketingzwecken.
Recht auf Widerruf
Mir ist bewusst, dass ich diese Einwilligung jederzeit für die Zukunft widerrufen kann. Durch meinen Widerruf wird die Rechtmäßigkeit der aufgrund meiner Einwilligung bis zum Widerruf erfolgten Verarbeitung nicht berührt. Um meinen Widerruf zu erklären, kann ich als eine Möglichkeit das unter https://contact.vogel.de abrufbare Kontaktformular nutzen. Sofern ich einzelne von mir abonnierte Newsletter nicht mehr erhalten möchte, kann ich darüber hinaus auch den am Ende eines Newsletters eingebundenen Abmeldelink anklicken. Weitere Informationen zu meinem Widerrufsrecht und dessen Ausübung sowie zu den Folgen meines Widerrufs finde ich in der Datenschutzerklärung, Abschnitt Redaktionelle Newsletter.
Im Vergleich zu einem Si-basierten Super-Junction-MOSFET hat ein SiC-MOSFET einen niedrigeren Wert für die in seiner Ausgangskapazität gespeicherten Energie (EOSS). Bei geringer Last ist dies entscheidend, da der größte Schaltverlust in PFC-Stufen durch Bausteine mit relativ hoher EOSS und Gate-Ladung verursacht wird. Eine niedrigere EOSS minimiert Energieverluste beim Schalten und ermöglicht so eine höhere Effizienz im Totem-Pole-PFC-Schnellzweig. Darüber hinaus weist ein SiC-MOSFET im Vergleich zu einem Si-basierten Super-Junction-MOSFET einen besseren (positiven) Temperaturkoeffizienten von RDS(ON) auf. Der Grund: die überlegene Wärmeleitfähigkeit, die dreimal besser ist als bei Si-basierten Bausteinen. Bild 3 veranschaulicht die Beziehung zwischen Durchlasswiderstand und Sperrschichttemperatur für einen 650V-SiC-MOSFET. Der RDS(ON) bei einer Sperrschichttemperatur von 175 °C ist 1,5-mal höher als bei Raumtemperatur. Bild 4 zeigt die Beziehung zwischen Durchlasswiderstand und Sperrschichttemperatur für einen 650V-Sperrschicht-MOSFET. Der RDS(ON) bei einer Sperrschichttemperatur von 175 °C ist mehr als 2,5-mal höher als bei Raumtemperatur.
Bild 3: 650V-SiC-MOSFET – Durchlasswiderstand vs. Sperrschichttemperatur
(Bild: ON Semiconductor)
Vergleicht man Bausteine mit ähnlichem RDS(ON) – einen Si-basierten 650V-Sperrschicht-MOSFET und einem 650V-SiC-MOSFET – steigt der RDS(ON) eines 650V-Sperrschicht-MOSFET auf etwa 50 mΩ bei einer Sperrschichttemperatur (Tj) von 175 °C, während der RDS(ON) eines 650V-SiC-MOSFET bei gleicher Tj bei etwa 30 mΩ liegt. Bei hohen Betriebstemperaturen weist ein 650V-SiC-MOSFET geringere Leitungsverluste auf. Im langsamen Zweig einer Totem-Pole-PFC sowie in einem LLC-Block dominieren die Leitungsverluste den Gesamtleistungsverlust. Der niedrigere RDS(ON) von SiC-MOSFETs verbessert bei höheren Sperrschichttemperaturen die Systemeffizienz.
SiC-MOSFETs zeichnen sich in Totem-Pole-PFC-Topologien durch ihren minimalen RDS(ON)-Anstieg bei hohen Temperaturen und bessere EOSS-Werte aus, was die Effizienz verbessert und Energieverluste verringert.
Bild 4: 650V-Si-Sperrschicht-MOSFET – Durchlasswiderstand vs. Sperrschichttemperatur.
(Bild: ON Semiconductor)
SiC für höhere Leistungsfähigkeit
Die 650V-SiC-MOSFETs der M3S-Serie bieten eine verbesserte Schaltleistung und erhöhen die Systemeffizienz in PFC- und LLC-Stufen. Verglichen mit früheren Generationen weist die Technologie eine um 50 % geringere Gate-Ladung, 44 % niedrigere EOSS-Werte sowie 44 % weniger gespeicherte Ladung auf. Dadurch lässt sich die Systemeffizienz in Anwendungen wie der Leistungsfaktorkorrektur (PFC) und der LLC-Resonanzstufe steigern.
Zudem verfügen diese MOSFETs über eine sehr niedrige Gate-Ladung (Qg), was die Verluste im Gate-Treiber verringert. Eine geringe transiente Ausgangskapazität (COSS(TR)) reduziert die Zirkulationsverluste im Resonanzkreis, ermöglicht kürzere Totzeiten und minimiert Primärverluste. Insgesamt reduziert dies sowohl Gate-Treiber- als auch Primärleitungsverluste und macht diese Technologie für energieeffiziente Designs in Rechenzentren attraktiv.
Fazit
In diesem Beitrag haben wir aufgezeigt, wie der ständig steigende Strombedarf von Hyperscale-Rechenzentren neue, strenge Anforderungen an eine effiziente Stromwandlung stellt.
Die Effizienz der PFC- und LLC-Stufe lässt sich mit 650V-SiC-MOSFETs der M3S-Serie erheblich verbessern. MOSFETs mit geringer Gate-Ladung, niedrigen EOSS-Werten sowie einer reduzierten gespeicherte Ladung (QOSS) steigern die Effizienz in hart schaltenden Topologien, wie sie in PFC- und LLC-Stufen zum Einsatz kommen. Dies führt insgesamt zu einem niedrigeren Stromverbrauch und reduzierten Betriebskosten, was die Technologie besonders für energieeffiziente Anwendungen in Rechenzentren geeignet macht. (mr)