LED-Treiber finden Der passende LED-Treiber für jede Applikation
Bei der Entwicklung einer Lighting-Applikation muss ein geeigneter LED-Treiber gefunden werden. Nicht nur die unterschiedlichsten Anwendungen, sondern auch die Vielzahl der Bausteine erschweren die Auswahl. Ein herstellerübergreifender Überblick über die verfügbaren LED-Treiber und deren Funktionsweisen bietet hier eine Orientierungshilfe.
Anbieter zum Thema
Zur Auswahl eines geeigneten LED-Treibers muss in der Regel sichergestellt werden, dass dieser mit einer Gleichspannung betrieben wird. Liegt am Eingang der Applikation Wechselspannung an, muss diese in Gleichspannung umgewandelt werden. Hierfür gibt es drei Möglichkeiten:
- Komplette Netzteile (Power Supply Unit, PSU),
- diskret aufgebaute Netzteile oder
- eine Komplettlösung eines LED-Treibers.
PSUs empfehlen sich für Lighting-Applikationen in geringen Stückzahlen, da sie die Entwicklungskosten gering halten. Diskret aufgebaute Netzteile bestehen im Wesentlichen aus einem Transformator und einem AC/DC-Wandler. Das können ICE-Treiber von Infineon oder ein VIPer-Treiber von STMicroelectronics sein.

Bei großen Stückzahlen sind diskrete Netzteile nicht nur preisgünstiger als zugekaufte, sondern lassen sich genau auf die Bedürfnisse der Applikation anpassen. Eine Komplettlösung, die direkt an der gleichgerichteten Netzspannung arbeiten kann, ist der ICL8001G von Infineon. Bedingt durch seine sehr geringe Außenbeschaltung (Bild 1) ist er platzsparend und empfiehlt sich daher für kostensensitive Applikationen, die Design-bedingt mit einem geringen Platzangebot auskommen müssen.
Ist die Versorgung des LED-Treibers mit einer Gleichspannung sichergestellt, kann der benötigte Baustein entweder treiberbezogen nach der Funktionsweise des Bausteins oder applikationsbezogen ausgewählt werden. Soll das Design treiberbezogen erstellt werden, ergibt sich eine Unterteilung in lineare und DC/DC-Treiber. Applikationen mit speziellen LED-Treibern sind Array-, Backlight-, Flashlight- und Automotive-Anwendungen.
Kostengünstige lineare Treiber

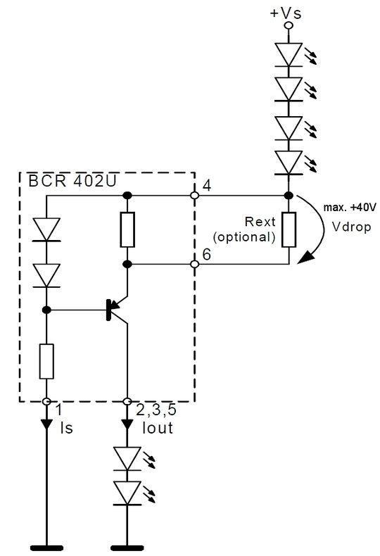
Linear arbeitende Bausteine decken einen Eingangsspannungsbereich bis 40 V und Ausgangsströme bis ca. 2,5 A mit externem Transistor ab, wobei der Ausgangsstrom durch einen externen Widerstand eingestellt werden kann. Als Beispiel soll der kostengünstige BCR402U von Infineon (Bild 2) vorgestellt werden: Er hat, wie alle Treiber der BCR-Familie, eine geringe minimale Eingangsspannung von 1,4 V und eine maximale Eingangsspannung von 40 V.

Bei einer Eingangsspannung >40 V besteht die Möglichkeit, LEDs oberhalb des Bausteins zu betreiben (Bild 3). Aufgrund seines negativen Temperaturkoeffizienten sinkt der Strom bei steigender Temperatur. Dies wirkt einer Überhitzung des Bausteins entgegen. Außerdem garantiert der negative Temperaturkoeffizient eine gleichmäßige Stromverteilung bei einer Parallelschaltung mehrerer Treiber. Trotz des kleinen SC-74-Gehäuses ist eine Verlustleistung von <750 mW möglich. Zudem ist der Infineon Treiber AEC-Q(101) qualifiziert, entspricht also den hohen Automotive-Qualitätsanforderungen.
Die DC/DC-Treiber
Die Auswahl des benötigten DC/DC-Treibers richtet sich nach der vorhandenen Spannungssituation: Ist die Eingangsspannung größer als die Ausgangsspannung, muss ein Buck-Treiber eingesetzt werden. Ist das Verhältnis umgekehrt, muss ein Boost-Treiber benutzt werden. Für den Fall, dass die Spannung am Eingang schwankt und somit größer oder kleiner als die Ausgangsspannung ist, kommen Buck/Boost-Treiber zum Einsatz.

Ein mögliches Modell für Buck-Applikationen ist der ZXLD1362ET5TA von Diodes/Zetex (Bild 4). Er bietet einen Eingangsspannungsbereich von 6 bis 60 V, einen Ausgangsstrom bis 1 A und ermöglicht dank seiner maximalen Schaltfrequenz von 500 kHz kleine passive Bauelemente als Außenbeschaltung.
Da ein MosFET bereits integriert ist, wird ein externer Schalter überflüssig, was Platz auf der Platine und gleichzeitig Kosten spart. Auch der Treiber selbst ist günstig und im platzsparenden SOT 23-5-Gehäuse verfügbar. Die ZXLD-Familie umfasst eine große Anzahl an Produkten, die alle pin- und package-kompatibel sind, so dass die Applikation ohne ein kostenintensives Redesign an veränderte Umstände angepasst werden kann, etwa wenn ein geringerer Ausgangsstrom benötigt wird.
Artikelfiles und Artikellinks
(ID:357969)